
你有没有遇过这种情况:系统里有两块 FPGA 或者 FPGA + CPU + FPGA,需要它们之间高速、低延迟、可靠地互传数据,甚至需要像访问本地内存那样访问对方的寄存器与 BRAM?这时候传统的 SPI / UART /以太网通信带来的延迟、带宽与开销就显得捉襟见肘。
先说两个组件:
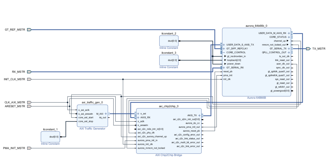
接下来我们就使用Chip2Chip + Aurora 实现一个简单的DEMO。
在这个例子里,用的是 Aurora 64b/66b,速率 10.3125Gbps。
Chip2Chip 的 主端会对外提供 AXI 接口(如果启用了,还会有 AXI-Lite 接口)。这样一来,不管是片上的处理器、MicroBlaze,还是其他的 AXI master,都能通过这个 IP 发起读写操作,去访问对端设备的 AXI 地址空间。
把 Chip2Chip IP 接到 Aurora 上其实很简单,主要就是连上复位、初始化逻辑,还有一些状态信号(比如 channel_up)。
在测试的时候,主端这边挂了一个 AXI Traffic Generator 来制造读写流量,通过 Chip2Chip 传过去。

在 从端这边,随便接个 BRAM,让它当成内存映射的目标。

时钟这块,两边的配置保持一致:初始化时钟 50MHz,AXI 时钟 200MHz,GT 参考时钟用的是 156.25MHz。
这些子模块(BDCs)最后会组合在顶层 IP Integrator 里,里面还会连收发器(GTs)和时钟管理模块(比如 Clocking Wizard 之类的)。
要注意的一点是:主从两边的地址映射一定要对齐,否则互相访问时就会错位。
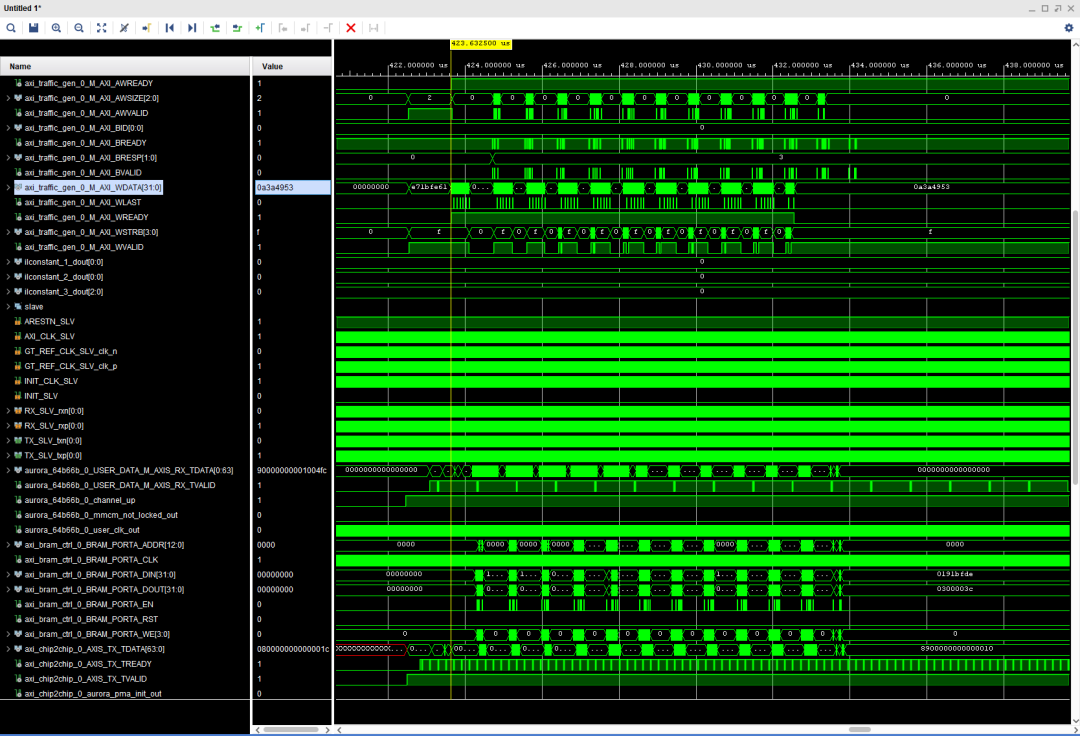
这种架构可以直接拿来仿真,不用真的接两块板子。仿真的时候你能看到:

先在主端这边发起 AXI 写操作
过一小会儿,就能在从端那边看到对应的写入
https://github.com/ATaylorCEngFIET/mz616
我比较喜欢这个 IP,原因是有些场景确实很实用。比如在工业应用里,经常需要不同模块之间保持电气隔离,这时候用光纤 + Aurora + Chip2Chip 就特别合适,可以很方便地在设备之间传数据。
它让我们不必把所有交互都扔给软件来完成,也不必忍受传统通信方式那么多中间层的折损。对于追求低延迟、高确定性、模块化重用的工程项目,这一对组合确实能“提速不少”。