
方便更多嵌入式开发者查询数据,上传触觉智能RK3562核心板规格书,型号IDO-SOM3562-V1。为您了解配置参数
1 产品介绍
1.1 产品概述 触觉智能RK3562核心板 IDO-SOM3562-V1采用 Rockchip 新一代 64 位处理器 RK3562/RK3562J(Quad-core ARM Cortex-A53,主频最高 2.0GHz);最大支持 8GB 内存;内置独立的 NPU,可用于轻量级人工智能应用。RK3562 拥有 PCIE2.1 / USB3.0 OTG / 双以太网等各类型接口,支持多种视频输入输出接口。RK3562 SoC 内部组成,如下图所示:

IDO-SOM3562-V1核心板进行了严格的电源完整性和信号完整性仿真设计,通过各项电磁兼容、温度冲击、高温高湿老化、长时间存储压力等测试。用户仅需设计外围电路即可快速实现项目开发。 模块逻辑框图,如下图所示:

32Bit位宽LPDDR4/LPDDR4x, 3200Mbps,最大支持8GB。 4.5cm*4.5cm超小尺寸邮票孔LGA封装172Pin,8层板沉金工艺。 独特的叠层设计,PCB背面完整平面无走线,优异的EMC性能和稳定性。 RK3562核心板IDO-SOM3562-V1核心板,如下图所示:


主要应用于平板电脑、智能家居、教育电子、工业显示、工业控制等领域。
2 参数规格
2.1 基本参数 基本参数,如下表所示:
基本参数 | |
|---|---|
SOC | RockChip RK3562/RK3562J |
CPU | 四核 64 位Cortex-A53 处理器,主频最高2.0GHz |
GPU | ARM G52 2EE支持 OpenGL ES 1.1/2.0/3.2,OpenCL 2.0,Vulkan 1.1内嵌高性能2D 加速硬件 |
NPU | 1TOPS的神经网络加速引擎支持integer 8, integer 16, oat point 16, bfloat point 16 and tf32神经网络运算支持深度学习框架:TensorFlow、TF-lite、Pytorch、Caffe、ONNX、MXNet、Keras、Darknet |
VPU | 支持 4K 30fps H.265/H.264/VP9 视频解码支持 1080P 60fps H.264 视频编码支持 13M ISP,支持HDR |
内存 | LPDDR4/LPDDR4x,默认2GB/4GB(最高支持8GB) |
存储 | eMMC 默认16GB/32GB(可选16GB/32GB/64GB) |
硬件参数 | |
以太网 | 集成1路RMII,支持百兆以太网(100 Mbps)集成1路RGMII,支持千兆以太网(1000 Mbps) |
显示接口 | 1 × MIPI DSI 4Lane,支持2048*1080@60fps 输出(或1 × LVDS,LVDS最高支持到800*1280@60fps)1 × RGB888,支持2048*1080@60fps 输出 |
摄像头 | 支持多路摄像头视频采集(4Lanes+4Lanes 2路MIPI CSI或者2Lanes+2Lanes+4Lanes MIPI CSI 3路MIPI CSI或者2Lanes+2Lanes+2Lanes+2Lanes 4路MIPI CSI) |
音频接口 | 1 × HPR/L,双声道耳机输出1 × SPK,功放输出2 × MIC输入 |
USB | 1 × USB3.0 OTG1 × USB2.0 HOST |
PCIe | 1 × PCIe 2.1 【与USB3.0 引脚复用】 |
扩展接口 | UART x10SPI x3I2C x5I2S x2SDIO x2PWM x15ADC x15CAN x2GPIO x86 |
其他 | |
主板尺寸 | 45mm × 45mm x 2.5mm(板上高度) |
接口类型 | 182Pin LCC(邮票孔172PIN)+LGA(背面焊盘10PIN)封装 |
PCB规格 | 板厚1.2mm,8层板,高Tg材质,沉金工艺 |
2.2 工作环境 核心板工作环境,如下表所示:
工作环境 | |
|---|---|
工作温度 | 0~+70℃【商业级】 -40~+85 ℃ 【RK3562J 工业级】 |
工作湿度 | 5% ~90% RH 非冷凝 |
存储温度 | -40~+85℃ |
2.3 系统支持 核心板支持系统,如下表所示:
序号 | 操作系统 | 支持 | 说明 |
|---|---|---|---|
1 | Android13 | / | |
2 | Debian11 | / | |
3 | Ubuntu20 | / | |
4 | Buildroot | / |
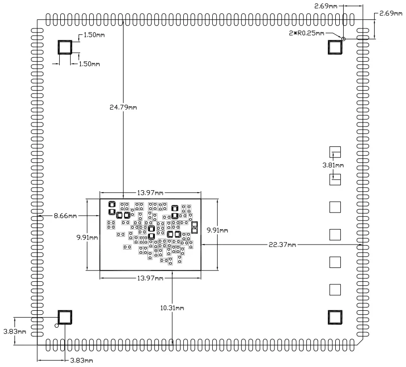
3 PCB尺寸 触觉智能RRK3562核心板 IDO-SOM3562-V1 尺寸图:


4 电气特性
4.1 主电源输入 主电源输入,如下表所示:
电源名称 | 最小电压 | 标称值 | 最大电压 | 峰值电流 | 待机电流 | 关机电流 |
|---|---|---|---|---|---|---|
VCC5V0_IN | 3.6V | 5.0V | 5.2V | 0.9A | 6mA | 0.01mA |
4.2 IO电源输入 IO电源输入,如下表所示:
电源名称 | IO电压域 | 峰值电流 |
|---|---|---|
VCCIO4_IN | 1.8V/3.3V | 50mA |
VCCIO5_IN | 1.8V/3.3V | 50mA |
VCCIO6_IN | 1.8V/3.3V | 50mA |
注意:VCCIO4_IN、VCCIO5_IN、VCCIO6_IN输入的电压,分别对应VCCIO4、VCCIO5、VCCIO6组的IO电压域。
4.3 电源输出 电源输出,如下表所示:
电源名称 | 最小电压 | 标称值 | 最大电压 | 限制电流 |
|---|---|---|---|---|
VCC3V3_SD_OUT | 3.0V | 3.0V | 3.3V | 300mA |
VCC_3V3_OUT | 3.0V | 3.3V | 3.4V | 100mA |
VCC_1V8_OUT | 1.75V | 1.8V | 1.85V | 100mA |
5 常规配置型号 如下表所示:
采购型号 | LPDDR4 | eMMC | 标称工作温度 | 说明 |
|---|---|---|---|---|
IDO-SOM3562-V1-D1E8 | 1GB | 8GB | 0~+70 ℃ | RK3562 |
IDO-SOM3562-V1-D2E16 | 2GB | 16GB | 0~+70 ℃ | RK3562 |
IDO-SOM3562-V1-D4E32 | 4GB | 32GB | 0~+70 ℃ | RK3562 |
IDO-SOM3562J-V1-D1E8 | 1GB | 8GB | -40~+80℃ | RK3562J |
IDO-SOM3562J-V1-D2E16 | 2GB | 16GB | -40~+80℃ | RK3562J |
6 引脚定义 触觉智能RK3562核心板吗,IDO-SOM3562-V1 引脚示意图:

Num | Pin Name | BGA636 Ball | BGA636 Ball | Power Rail | Comment | |
|---|---|---|---|---|---|---|
Signal Name | Mode | |||||
1 | VCC5V_SYS | / | VCC5V0_IN1 | / | 5V | / |
2 | VCC5V_SYS | / | VCC5V0_IN2 | / | 5V | / |
3 | GND | / | GND3 | / | / | / |
4 | PMIC_PWRON | / | PMIC_PWRON | / | / | / |
5 | PMIC_VDC | / | PMIC_VDC | / | / | / |
6 | RESETn | / | RESETn | / | / | / |
7 | VCC_3V3_OUT | / | VCC_3V3_OUT | / | 3.3V | / |
8 | PMIC_EXT_EN | / | PMIC_EXT_EN | / | / | / |
9 | VCC3V3_SD_OUT | / | VCC3V3_SD_OUT | / | 3.3V | / |
10 | HPL_OUT | / | HPL_OUT | / | / | / |
11 | HP_SNS | / | HP_SNS | / | / | / |
12 | HPR_OUT | / | HPR_OUT | / | / | / |
13 | MIC2_IN | / | MIC2_IN | / | / | / |
14 | MIC1_IN | / | MIC1_IN | / | / | / |
15 | PMIC_SLEEP_H | AF23 | PMIC_SLEEP_H_OUT | / | / | / |
16 | PMIC_32KOUT_WIFI | / | PMIC_32KOUT_WIFI | / | / | / |
17 | VCC_1V8_OUT | / | VCC_1V8_OUT | / | 1.8V | / |
18 | USB30_OTG0_DM | AF26 | USB30_OTG0_DM | / | / | / |
19 | USB30_OTG0_DP | AF27 | USB30_OTG0_DP | / | / | / |
20 | USB30_OTG0_ID | 1P15 | USB30_OTG0_ID | / | / | / |
21 | USB30_OTG0_VBUSDET | 1P14 | USB30_OTG0_VBUSDET | / | / | / |
22 | USB20_HOST1_DM | AE26 | USB20_HOST1_DM | / | / | / |
23 | USB20_HOST1_DP | AE27 | USB20_HOST1_DP | / | / | / |
24 | USB30_OTG0_SSTXP/PCIE20_TXDP | AD26 | USB30_OTG0_SSTXP | / | / | / |
PCIE20_TXDP | Default | |||||
25 | USB30_OTG0_SSTXN/PCIE20_TXDN | AD27 | USB30_OTG0_SSTXN | / | / | / |
PCIE20_TXDN | Default | |||||
26 | USB30_OTG0_SSRXP/PCIE20_RXDP | AB26 | USB30_OTG0_SSRXP | / | / | / |
PCIE20_RXDP | Default | |||||
27 | USB30_OTG0_SSRXN/PCIE20_RXDN | AB27 | USB30_OTG0_SSRXN | / | / | / |
PCIE20_RXDN | Default | |||||
28 | PCIE20_REFCLKP | AC26 | PCIE20_REFCLKP | / | / | / |
29 | PCIE20_REFCLKN | AC27 | PCIE20_REFCLKN | / | / | / |
30 | GND | / | GND30 | / | / | / |
31 | VCCIO4_IN | 1H14 | VCCIO4_IN | / | VCCIO4 | / |
32 | RMII_RSTn | W25 | CLK1_32K_OUT | / | VCCIO4 | / |
SPI2_CLK_M1 | / | |||||
I2S0_SDO3_M1 | / | |||||
ETH_CLK_25M_OUT_M1 | / | |||||
I2S2_MCLK_M0 | / | |||||
GPIO2_A1_d | Default | |||||
33 | RMII_RXER | 1J15 | RMII_RXER | Default | VCCIO4 | / |
PWM15_M1 | / | |||||
SPI2_MISO_M1 | / | |||||
UART4_CTSN_M1 | / | |||||
RGMII_RXER_M1 | / | |||||
I2S2_SDI_M0 | / | |||||
GPIO2_A0_d | / | |||||
34 | RMII_RXD1 | 1H15 | RMII_RXD1 | Default | VCCIO4 | / |
PWM14_M1 | / | |||||
SPI2_MOSI_M1 | / | |||||
UART4_RTSN_M1 | / | |||||
RGMII_RXD1_M1 | / | |||||
I2S2_SDO_M0 | / | |||||
GPIO1_D7_d | / | |||||
35 | RMII_CRS_DV | V27 | RMII_RXDV_CRS | / | VCCIO4 | / |
SPI2_CSN0_M1 | / | |||||
UART4_TX_M1 | / | |||||
RGMII_RXDV_M1 | Default | |||||
I2S2_LRCK_M0 | / | |||||
GPIO1_D6_d | / | |||||
36 | RMII_CLK | W26 | RMII_CLK | Default | VCCIO4 | / |
SPI2_CSN1_M1 | / | |||||
UART4_RX_M1 | / | |||||
RGMII_CLK_M1 | / | |||||
I2S2_SCLK_M0 | / | |||||
GPIO1_D5_d | / | |||||
37 | RMII_RXD0 | Y27 | RMII_RXD0 | Default | VCCIO4 | / |
PWM7_M1 | / | |||||
I2S0_SDI3_M1 | / | |||||
RGMII_RXD0_M1 | / | |||||
UART1_CTSN_M0 | / | |||||
GPIO1_D4_d | / | |||||
38 | RMII_TXEN | AA25 | RMII_TXEN | Default | VCCIO4 | / |
PWM6_M1 | / | |||||
I2S0_SDI2_M1 | / | |||||
RGMII_TXEN_M1 | / | |||||
UART1_RTSN_M0 | / | |||||
GPIO1_D3_d | / | |||||
39 | RMII_TXD1 | Y26 | RMII_TXD1 | Default | VCCIO4 | / |
PWM5_M1 | / | |||||
I2S0_SDO2_M1 | / | |||||
RGMII_TXD1_M1 | / | |||||
UART1_TX_M0 | / | |||||
GPIO1_D2_d | / | |||||
40 | RMII_TXD0 | Y25 | RMII_TXD0 | / | VCCIO4 | / |
PWM4_M1 | / | |||||
I2S0_SDO1_M1 | / | |||||
RGMII_TXD0_M1 | / | |||||
UART1_RX_M0 | / | |||||
GPIO1_D1_d | / | |||||
41 | RMII_MDIO | V26 | RMII_MDIO | Default | VCCIO4 | / |
PWM3_M1 | / | |||||
I2C5_SDA_M1 | / | |||||
RGMII_MDIO_M1 | / | |||||
SDMMC1_DETN | / | |||||
GPIO1_D0_d | / | |||||
42 | RMII_MDC | 1J14 | RMII_MDC | Default | VCCIO4 | / |
PWM2_M1 | / | |||||
I2C5_SCL_M1 | / | |||||
RGMII_MDC_M1 | / | |||||
SDMMC1_PWREN | / | |||||
GPIO1_C7_d | / | |||||
43 | SDMMC1_CLK | U25 | PWM1_M1 | / | VCCIO4 | / |
I2S0_MCLK_M1 | / | |||||
RGMII_RXCLK_M1 | / | |||||
SDMMC1_CLK | Default | |||||
GPIO1_C6_d | / | |||||
44 | SDMMC1_CMD | T27 | PWM0_M1 | / | VCCIO4 | / |
I2S0_SCLK_M1 | / | |||||
RGMII_RXD3_M1 | / | |||||
SDMMC1_CMD | Default | |||||
GPIO1_C5_d | / | |||||
45 | SDMMC1_D3 | T26 | PWM11_M1 | / | VCCIO4 | / |
I2S0_LRCK_M1 | / | |||||
RGMII_RXD2_M1 | / | |||||
SDMMC1_D3 | Default | |||||
GPIO1_C4_d | / | |||||
46 | SDMMC1_D2 | T25 | PWM10_M1 | / | VCCIO4 | / |
I2S0_SDO0_M1 | / | |||||
RGMII_TXCLK_M1 | / | |||||
SDMMC1_D2 | Default | |||||
GPIO1_C3_d | / | |||||
47 | SDMMC1_D1 | V25 | PWM9_M1 | / | VCCIO4 | / |
I2S0_SDI1_M1 | / | |||||
RGMII_TXD3_M1 | / | |||||
SDMMC1_D1 | Default | |||||
GPIO1_C2_d | / | |||||
48 | SDMMC1_D0 | U26 | PWM8_M1 | / | VCCIO4 | / |
I2S0_SDI0_M1 | / | |||||
RGMII_TXD2_M1 | / | |||||
SDMMC1_D0 | Default | |||||
GPIO1_C1_d | / | |||||
49 | SDMMC0_D1 | R26 | DSM_AUD_LN | / | 3.3V | / |
SPI1_MISO_M1 | / | |||||
UART7_TX_M1 | / | |||||
UART0_TX_M1 | / | |||||
SDMMC0_D1 | Default | |||||
GPIO1_B4_u | / | |||||
50 | SDMMC0_D0 | R25 | DSM_AUD_LP | / | 3.3V | / |
SPI1_MOSI_M1 | / | |||||
UART7_RX_M1 | / | |||||
UART0_RX_M1 | / | |||||
SDMMC0_D0 | Default | |||||
GPIO1_B3_u | / | |||||
51 | SDMMC0_CLK | P27 | SPI1_CLK_M1 | / | 3.3V | / |
UART5_TX_M0 | / | |||||
TEST_CLK_OUT | / | |||||
SDMMC0_CLK | Default | |||||
CAN1_TX_M0 [RK3562J] | / | |||||
GPIO1_C0_d | / | |||||
52 | SDMMC0_CMD | P25 | SPDIF_TX_M2 | / | 3.3V | / |
UART5_RX_M0 | / | |||||
SDMMC0_CMD | Default | |||||
CAN1_RX_M0 [RK3562J] | / | |||||
GPIO1_B7_u | / | |||||
53 | SDMMC0_D3 | N26 | DSM_AUD_RN | / | 3.3V | / |
PWM11_M0 | / | |||||
SPI1_CSN0_M1 | / | |||||
UART5_RTSN_M0 | / | |||||
JTAG_CPU_MCU_TMS_M1 | / | |||||
SDMMC0_D3 | Default | |||||
GPIO1_B6_u | / | |||||
54 | SDMMC0_D2 | N25 | DSM_AUD_RP | / | 3.3V | / |
PWM10_M0 | / | |||||
SPI1_CSN1_M1 | / | |||||
UART5_CTSN_M0 | / | |||||
JTAG_CPU_MCU_TCK_M1 | / | |||||
SDMMC0_D2 | Default | |||||
GPIO1_B5_u | / | |||||
55 | GND | / | GND55 | / | / | / |
56 | SARADC0_IN1_KEY/RECOVERY | F26 | SARADC0_IN1_KEY | / | / | / |
RECOVERY | Default | |||||
57 | SARADC0_IN3 | G26 | SARADC0_IN3 | / | / | / |
58 | SARADC0_IN4 | D25 | SARADC0_IN4 | / | / | / |
59 | SARADC0_IN5 | E26 | SARADC0_IN5 | / | / | / |
60 | SARADC0_IN6 | E27 | SARADC0_IN6 | / | / | / |
61 | SARADC0_IN7 | F25 | SARADC0_IN7 | / | / | / |
62 | SARADC1_IN0 | AF1 | SARADC1_IN0 | / | / | / |
63 | SARADC1_IN1 | AJ1 | SARADC1_IN1 | / | / | / |
64 | SARADC1_IN2 | AF2 | SARADC1_IN2 | / | / | / |
65 | SARADC1_IN3 | AJ2 | SARADC1_IN3 | / | / | / |
66 | SARADC1_IN4 | 1H1 | SARADC1_IN4 | / | / | / |
67 | SARADC1_IN5 | 1L2 | SARADC1_IN5 | / | / | / |
68 | SARADC1_IN6 | 1K1 | SARADC1_IN6 | / | / | / |
69 | SARADC1_IN7 | 1E 1 | SARADC1_IN7 | / | / | / |
70 | I2C3_SDA_M0 | 1L1 | UART5_RTSN_M1 | / | 3.3V | / |
SPDIF_TX_M0 | / | |||||
UART2_RX_M1 | / | |||||
I2C3_SDA_M0 | Default | |||||
CAN0_RX_M0 | / | |||||
GPIO3_A1_d | / | |||||
71 | I2C3_SCL_M0 | 1M1 | UART5_CTSN_M1 | / | 3.3V | / |
PDM_SDI3_M0 | / | |||||
UART2_TX_M1 | / | |||||
I2C3_SCL_M0 | Default | |||||
CAN0_TX_M0 | / | |||||
GPIO3_A0_d | / | |||||
72 | PCIE20_CLKREQN_M1 | J1 | PCIE20_CLKREQN_M1 | Default | 3.3V | / |
UART5_TX_M1 | / | |||||
PDM_CLK0_M0 | / | |||||
I2S0_SDI3_M0 | / | |||||
I2S0_SDO1_M0 | / | |||||
GPIO3_A6_d | / | |||||
73 | PCIE20_WAKEN_M1 | L2 | PCIE20_WAKEN_M1 | Default | 3.3V | / |
UART5_RX_M1 | / | |||||
PDM_SDI2_M0 | / | |||||
I2S0_SDI2_M0 | / | |||||
I2S0_SDO2_M0 | / | |||||
GPIO3_A7_d | / | |||||
74 | PCIE20_PERSTN_M1 | 1M2 | PCIE20_PERSTN_M1 | Default | 3.3V | / |
PDM_SDI1_M0 | / | |||||
I2S0_SDI1_M0 | / | |||||
I2S0_SDO3_M0 | / | |||||
GPIO3_B0_d | / | |||||
75 | GND | / | GND75 | / | / | |
76 | VCCIO5_IN | 1K3 | VCCIO5_IN | / | VCCIO5 | / |
77 | UART9_RX_M1 | D3 | I2C5_SDA_M0 | / | VCCIO5 | / |
UART9_RX_M1 | Default | |||||
ISP_FLASH_TRIGOUT | / | |||||
GPIO3_C3_d | / | |||||
78 | UART9_TX_M1 | E1 | I2C5_SCL_M0 | / | VCCIO5 | / |
UART9_TX_M1 | Default | |||||
ISP_PRELIGHT_TRIGOUT | / | |||||
GPIO3_C2_d | / | |||||
79 | UART3_RTSN_M1 | E2 | UART3_RTSN_M1 | Default | VCCIO5 | / |
ISP_FLASH_TRIGIN | / | |||||
I2S1_SDI0_M1 | / | |||||
GPIO3_C1_d | / | |||||
80 | UART3_RX_M1 | H2 | SPI0_MISO_M1 | / | VCCIO5 | / |
UART3_RX_M1 | Default | |||||
I2S1_SDI1_M1 | / | |||||
I2S1_SDO3_M1 | / | |||||
GPIO3_C0_d | / | |||||
81 | UART3_TX_M1 | G2 | I2C4_SDA_M0 | / | VCCIO5 | / |
SPI0_CSN0_M1 | / | |||||
UART3_TX_M1 | Default | |||||
I2S1_SDI2_M1 | / | |||||
I2S1_SDO2_M1 | / | |||||
CAN0_RX_M1 | / | |||||
GPIO3_B7_d | / | |||||
82 | UART3_CTSN_M1 | G3 | I2C4_SCL_M0 | / | VCCIO5 | / |
SPI0_CSN1_M1 | / | |||||
UART3_CTSN_M1 | Default | |||||
I2S1_SDI3_M1 | / | |||||
I2S1_SDO1_M1 | / | |||||
CAN0_TX_M1 | / | |||||
GPIO3_B6_d | / | |||||
83 | CAM_CLK3_OUT | D1 | PWM13_M1 | / | VCCIO5 | / |
SPI0_CLK_M1 | / | |||||
UART8_RTSN_M0 | / | |||||
CAM_CLK3_OUT | Default | |||||
I2S1_SDO0_M1 | / | |||||
GPIO3_B5_d | / | |||||
84 | CAM_CLK2_OUT | F2 | PWM12_M1 | / | VCCIO5 | / |
SPI0_MOSI_M1 | / | |||||
UART8_CTSN_M0 | / | |||||
CAM_CLK2_OUT | Default | |||||
I2S1_LRCK_M1 | / | |||||
GPIO3_B4_d | / | |||||
85 | UART8_RX_M0 | G1 | UART8_RX_M0 | Default | VCCIO5 | / |
CAM_CLK1_OUT_M0 | / | |||||
I2S1_SCLK_M1 | / | |||||
GPIO3_B3_d | / | |||||
86 | UART8_TX_M0 | H3 | UART8_TX_M0 | Default | VCCIO5 | / |
CAM_CLK0_OUT_M0 | / | |||||
I2S1_MCLK_M1 | / | |||||
GPIO3_B2_d | / | |||||
87 | CIF_PWREN_H | N1 | UART7_TX_M0 | / | VCCIO6 | / |
I2S1_MCLK_M0 | / | |||||
VO_LCDC_D3 | / | |||||
GPIO3_C4_d | Default | |||||
88 | CIF2_RST_L | N2 | PWM14_M0 | / | VCCIO6 | / |
UART4_CTSN_M0 | / | |||||
I2S1_SCLK_M0 | / | |||||
VO_LCDC_D4 | / | |||||
GPIO3_C5_d | Default | |||||
89 | CIF_PDN_L | P3 | PWM15_M0 | / | VCCIO6 | / |
UART4_RTSN_M0 | / | |||||
I2S1_LRCK_M0 | / | |||||
VO_LCDC_D5 | / | |||||
GPIO3_C6_d | Default | |||||
90 | CIF_RST_L | P2 | UART7_RX_M0 | / | VCCIO6 | / |
I2S1_SDO0_M0 | / | |||||
VO_LCDC_D6 | / | |||||
GPIO3_C7_d | Default | |||||
91 | UART4_TX_M0 | R3 | UART4_TX_M0 | Default | VCCIO6 | / |
I2S1_SDI0_M0 | / | |||||
VO_LCDC_D7 | / | |||||
GPIO3_D0_d | / | |||||
92 | UART4_RX_M0 | R1 | UART3_RTSN_M0 | / | VCCIO6 | / |
UART4_RX_M0 | Default | |||||
I2S1_SDI1_M0 | / | |||||
VO_LCDC_D10 | / | |||||
GPIO3_D1_d | / | |||||
93 | I2C2_SCL_M1 | R2 | I2C2_SCL_M1 | Default | VCCIO6 | / |
SPI2_MISO_M0 | / | |||||
UART7_CTSN_M0 | / | |||||
I2S1_SDI2_M0 | / | |||||
VO_LCDC_D11 | / | |||||
GPIO3_D2_d | / | |||||
94 | I2C2_SDA_M1 | T3 | I2C2_SDA_M1 | Default | VCCIO6 | / |
SPI2_MOSI_M0 | / | |||||
UART7_RTSN_M0 | / | |||||
I2S1_SDI3_M0 | / | |||||
VO_LCDC_D12 | / | |||||
GPIO3_D3_d | / | |||||
95 | GND | GND95 | / | / | / | |
96 | RGMII_TXD2_M0 | AB3 | I2S2_SDI_M1 | / | VCCIO6 | / |
UART8_TX_M1 | / | |||||
RGMII_TXD2_M0 | Default | |||||
VO_LCDC_D13 | / | |||||
GPIO3_D4_d | / | |||||
97 | RGMII_TXD3_M0 | AB2 | I2S2_SDO_M1 | / | VCCIO6 | / |
UART8_RX_M1 | / | |||||
RGMII_TXD3_M0 | Default | |||||
VO_LCDC_D14 | / | |||||
GPIO3_D5_d | / | |||||
98 | RGMII_TXCLK_M0 | Y2 | I2S2_MCLK_M1 | / | VCCIO6 | / |
SPI1_CLK_M0 | / | |||||
RGMII_TXCLK_M0 | Default | |||||
VO_LCDC_D15 | / | |||||
GPIO3_D6_d | / | |||||
99 | RGMII_RXD2_M0 | W2 | SPI1_CSN0_M0 | / | VCCIO6 | / |
UART8_CTSN_M1 | / | |||||
RGMII_RXD2_M0 | Default | |||||
VO_LCDC_D19 | / | |||||
GPIO3_D7_d | / | |||||
100 | RGMII_RXD3_M0 | Y3 | SPI1_CSN1_M0 | / | VCCIO6 | / |
UART8_RTSN_M1 | / | |||||
RGMII_RXD3_M0 | Default | |||||
VO_LCDC_D20 | / | |||||
GPIO4_A0_d | / | |||||
101 | RGMII_RXCLK_M0 | U2 | I2S2_LRCK_M1 | / | VCCIO6 | / |
PWM12_M0 | / | |||||
RGMII_RXCLK_M0 | Default | |||||
VO_LCDC_D21 | / | |||||
GPIO4_A1_d | / | |||||
102 | RGMII_TXD0_M0 | AA1 | UART6_CTSN_M1 | / | VCCIO6 | / |
SPI1_MOSI_M0 | / | |||||
RGMII_TXD0_M0 | Default | |||||
VO_LCDC_D22 | / | |||||
GPIO4_A2_d | / | |||||
103 | RGMII_TXD1_M0 | AA2 | UART6_RTSN_M1 | / | VCCIO6 | / |
SPI1_MISO_M0 | / | |||||
RGMII_TXD1_M0 | Default | |||||
VO_LCDC_D23 | / | |||||
GPIO4_A3_d | / | |||||
104 | RGMII_TXEN_M0 | AA3 | PWM13_M0 | / | VCCIO6 | / |
RGMII_TXEN_M0 | Default | |||||
VO_LCDC_D0 | / | |||||
GPIO4_A4_d | / | |||||
105 | RGMII_RXD0_M0 | W3 | I2C3_SCL_M1 | / | VCCIO6 | / |
PDM_SDI2_M1 | / | |||||
UART1_TX_M1 | / | |||||
RGMII_RXD0_M0 | Default | |||||
VO_LCDC_D1 | / | |||||
GPIO4_A5_d | / | |||||
106 | RGMII_RXD1_M0 | W1 | I2C3_SDA_M1 | / | VCCIO6 | / |
PDM_SDI3_M1 | / | |||||
UART1_RX_M1 | / | |||||
RGMII_RXD1_M0 | Default | |||||
VO_LCDC_D8 | / | |||||
GPIO4_A6_d | / | |||||
107 | RGMII_RXDV_M0 | V2 | UART6_TX_M1 | / | VCCIO6 | / |
PDM_SDI0_M1 | / | |||||
UART1_RTSN_M1 | / | |||||
RGMII_RXDV_M0 | Default | |||||
VO_LCDC_D9 | / | |||||
GPIO4_A7_d | / | |||||
108 | 4G_POWER_H | V3 | UART6_RX_M1 | / | VCCIO6 | / |
PDM_SDI1_M1 | / | |||||
UART1_CTSN_M1 | / | |||||
RGMII_RXER_M0 | / | |||||
VO_LCDC_D16 | / | |||||
GPIO4_B0_d | Default | |||||
109 | CAM_CLK0_OUT_M1 | T2 | I2S2_SCLK_M1 | VCCIO6 | / | |
CAM_CLK0_OUT_M1 | Default | |||||
PDM_CLK1_M1 | / | |||||
ETH_CLK_25M_OUT_M0 | / | |||||
VO_LCDC_D17 | / | |||||
GPIO4_B1_d | / | |||||
110 | RGMII_MDC_M0 | AC1 | UART9_TX_M0 | / | VCCIO6 | / |
RGMII_MDC_M0 | Default | |||||
VO_LCDC_D2 | / | |||||
GPIO4_B2_d | / | |||||
111 | RGMII_MDIO_M0 | AC2 | UART9_RX_M0 | / | VCCIO6 | / |
RGMII_MDIO_M0 | Default | |||||
VO_LCDC_D18 | / | |||||
GPIO4_B3_d | / | |||||
112 | I2C1_SCL_M1 | M2 | UART3_TX_M0 | / | VCCIO6 | / |
I2C1_SCL_M1 | Default | |||||
SPI2_CSN1_M0 | / | |||||
UART9_CTSN_M0 | / | |||||
I2S1_SDO1_M0 | / | |||||
VO_LCDC_HSYNC | / | |||||
GPIO4_B4_d | / | |||||
113 | I2C1_SDA_M1 | M3 | UART3_RX_M0 | / | VCCIO6 | / |
I2C1_SDA_M1 | Default | |||||
SPI2_CSN0_M0 | / | |||||
UART9_RTSN_M0 | / | |||||
I2S1_SDO2_M0 | / | |||||
VO_LCDC_VSYNC | / | |||||
GPIO4_B5_d | / | |||||
114 | SPK_EN_H_GPIO4_B6_d | N3 | UART3_CTSN_M0 | / | VCCIO6 | / |
SPI2_CLK_M0 | / | |||||
I2S1_SDO3_M0 | / | |||||
VO_LCDC_DEN | / | |||||
GPIO4_B6_d | Default | |||||
115 | RGMII_CLK_M0 | U1 | CAM_CLK1_OUT_M1 | / | VCCIO6 | / |
PDM_CLK0_M1 | / | |||||
RGMII_CLK_M0 | Default | |||||
VO_LCDC_CLK | ||||||
GPIO4_B7_d | / | |||||
116 | VCCIO6_IN | VCCIO6_IN | / | VCCIO6 | / | |
117 | GND | GND117 | / | / | / | |
118 | MIPI_CSI_RX1_CLK1P | 1P3 | MIPI_CSI_RX1_CLK1P | / | / | / |
119 | MIPI_CSI_RX1_CLK1N | 1R3 | MIPI_CSI_RX1_CLK1N | / | / | / |
120 | MIPI_CSI_RX1_D3P | AD1 | MIPI_CSI_RX1_D3P | / | / | / |
121 | MIPI_CSI_RX1_D3N | AD2 | MIPI_CSI_RX1_D3N | / | / | / |
122 | MIPI_CSI_RX1_D2P | AE1 | MIPI_CSI_RX1_D2P | / | / | / |
123 | MIPI_CSI_RX1_D2N | AF1 | MIPI_CSI_RX1_D2N | / | / | / |
124 | MIPI_CSI_RX1_CLK0P | AF2 | MIPI_CSI_RX1_CLK0P | / | / | / |
125 | MIPI_CSI_RX1_CLK0N | AG2 | MIPI_CSI_RX1_CLK0N | / | / | / |
126 | MIPI_CSI_RX1_D1P | AF3 | MIPI_CSI_RX1_D1P | / | / | / |
127 | MIPI_CSI_RX1_D1N | AG3 | MIPI_CSI_RX1_D1N | / | / | / |
128 | MIPI_CSI_RX1_D0P | AF4 | MIPI_CSI_RX1_D0P | / | / | / |
129 | MIPI_CSI_RX1_D0N | AG4 | MIPI_CSI_RX1_D0N | / | / | / |
130 | MIPI_CSI_RX0_CLK1P | 1P7 | MIPI_CSI_RX0_CLK1P | / | / | / |
131 | MIPI_CSI_RX0_CLK1N | 1R7 | MIPI_CSI_RX0_CLK1N | / | / | / |
132 | MIPI_CSI_RX0_D3P | AF5 | MIPI_CSI_RX0_D3P | / | / | / |
133 | MIPI_CSI_RX0_D3N | AG5 | MIPI_CSI_RX0_D3N | / | / | / |
134 | MIPI_CSI_RX0_D2P | AF6 | MIPI_CSI_RX0_D2P | / | / | / |
135 | MIPI_CSI_RX0_D2N | AG6 | MIPI_CSI_RX0_D2N | / | / | / |
136 | MIPI_CSI_RX0_CLK0P | AF7 | MIPI_CSI_RX0_CLK0P | / | / | / |
137 | MIPI_CSI_RX0_CLK0N | AG7 | MIPI_CSI_RX0_CLK0N | / | / | / |
138 | MIPI_CSI_RX0_D1P | AF8 | MIPI_CSI_RX0_D1P | / | / | / |
139 | MIPI_CSI_RX0_D1N | AG8 | MIPI_CSI_RX0_D1N | / | / | / |
140 | MIPI_CSI_RX0_D0P | AF9 | MIPI_CSI_RX0_D0P | / | / | / |
141 | MIPI_CSI_RX0_D0N | AG9 | MIPI_CSI_RX0_D0N | / | / | / |
142 | MIPI_DSI_TX_D3P/LVDS_TX_D3P | AG10 | MIPI_DSI_TX_D3P | Default | / | / |
LVDS_TX_D3P | ||||||
143 | MIPI_DSI_TX_D3N/LVDS_TX_D3N | AF10 | MIPI_DSI_TX_D3N | Default | / | / |
LVDS_TX_D3N | ||||||
144 | MIPI_DSI_TX_D2P/LVDS_TX_D2P | AF11 | MIPI_DSI_TX_D2P | Default | / | / |
LVDS_TX_D2P | ||||||
145 | MIPI_DSI_TX_D2N/LVDS_TX_D2N | AG11 | MIPI_DSI_TX_D2N | Default | / | / |
LVDS_TX_D2N | ||||||
146 | MIPI_DSI_TX_CLKP/LVDS_TX_CLKP | AG12 | MIPI_DSI_TX_CLKP | Default | / | / |
LVDS_TX_CLKP | ||||||
147 | MIPI_DSI_TX_CLKN/LVDS_TX_CLKN | AF12 | MIPI_DSI_TX_CLKN | Default | / | / |
LVDS_TX_CLKN | ||||||
148 | MIPI_DSI_TX_D1P/LVDS_TX_D1P | AF13 | MIPI_DSI_TX_D1P | Default | / | / |
LVDS_TX_D1P | ||||||
149 | MIPI_DSI_TX_D1N/LVDS_TX_D1N | AG13 | MIPI_DSI_TX_D1N | Default | / | / |
LVDS_TX_D1N | ||||||
150 | MIPI_DSI_TX_D0P/LVDS_TX_D0P | AG14 | MIPI_DSI_TX_D0P | Default | / | / |
LVDS_TX_D0P | ||||||
151 | MIPI_DSI_TX_D0N/LVDS_TX_D0N | AF14 | MIPI_DSI_TX_D0N | Default | / | / |
LVDS_TX_D0N | / | |||||
152 | GND | / | GND152 | / | / | / |
153 | HP_DET_L_GPIO0_B3_d | AE17 | I2C1_SCL_M0 | / | 3.3V | 待机保持 |
GPIO0_B3_d | Default | |||||
154 | LCD_PWREN_H_GPIO0_B4_d | AF18 | I2C1_SDA_M0 | / | 3.3V | / |
GPIO0_B4_d | Default | |||||
155 | TP_RST_L_GPIO0_B5_d | AF16 | PCIE20_PERSTN_M0 | / | 3.3V | / |
I2C2_SCL_M0 | / | |||||
GPIO0_B5_d | Default | |||||
156 | TP_INT_L_GPIO0_B6_d | AE15 | PCIE20_WAKEN_M0 | / | 3.3V | / |
I2C2_SDA_M0 | / | |||||
GPIO0_B6_d | Default | |||||
157 | LCD_BL_PWM_GPIO0_B7_d | AF15 | SPDIF_TX_M1 | / | 3.3V | / |
CPU_AVS | / | |||||
PWM4_M0 | / | |||||
SPI0_CSN1_M0 | / | |||||
GPIO0_B7_d | Default | |||||
158 | USB_OTG_DET_GPIO0_C0_d | AF17 | GPU_AVS | / | 3.3V | / |
PWM7_M0 | / | |||||
UART2_TX_M0 | / | |||||
- | / | |||||
GPIO0_C0_d | Default | |||||
159 | SPI0_CSN0_M0 | AG17 | SPI0_CSN0_M0 | Default | 3.3V | / |
PWM5_M0 | / | |||||
UART2_CTSN_M0 | / | |||||
GPIO0_C2_d | / | |||||
160 | SPI0_CLK_M0 | AE16 | SPI0_CLK_M0 | Default | 3.3V | / |
PWM0_M0 | / | |||||
UART2_RTSN_M0 | / | |||||
GPIO0_C3_d | / | |||||
161 | SPI0_MOSI_M0 | AG19 | SPI0_MOSI_M0 | Default | 3.3V | / |
PWM1_M0 | / | |||||
UART6_CTSN_M0 | / | |||||
GPIO0_C4_d | / | |||||
162 | SPI0_MISO_M0 | AE18 | SPI0_MISO_M0 | Default | 3.3V | / |
PWM2_M0 | / | |||||
UART6_RTSN_M0 | / | |||||
GPIO0_C5_d | / | |||||
163 | UART6_TX_M0 | AF19 | UART6_TX_M0 | Default | 3.3V | / |
CAN0_TX_M2 | / | |||||
GPIO0_C6_d | / | |||||
164 | UART6_RX_M0 | AE19 | UART6_RX_M0 | Default | 3.3V | / |
CAN0_RX_M2 | / | |||||
GPIO0_C7_d | / | |||||
165 | UART0_RX_M0_DEBUG | AF20 | JTAG_CPU_MCU_TMS_M0 | / | 3.3V | / |
UART0_RX_M0 | Default | |||||
GPIO0_D0_u | / | |||||
166 | UART0_TX_M0_DEBUG | AE20 | JTAG_CPU_MCU_TCK_M0 | / | 3.3V | / |
UART0_TX_M0 | Default | |||||
GPIO0_D1_u | / | |||||
167 | BT_REG_ON_H_GPIO0_B0_d | AF21 | PCIE20_BUTTONRSTN | / | 3.3V | / |
CLK0_32K_OUT | / | |||||
CLK_32K_IN | / | |||||
GPIO0_B0_d | Default | |||||
168 | HOST_WAKE_BT_H_GPIO0_A7_d | AG21 | PWM3_M0 | / | 3.3V | / |
GPIO0_A7_d | Default | |||||
169 | GMAC1_RSTn_GPIO0_A6_d | AG24 | PCIE20_CLKREQN_M0 | / | 3.3V | / |
GPIO0_A6_d | Default | |||||
170 | GPIO0_A5_d | AE22 | PMU_DEBUG | / | 3.3V | / |
I2C4_SCL_M1 | / | |||||
SDMMC0_PWREN | / | |||||
GPIO0_A5_d | Default | |||||
171 | SDMMC0_DET_L | 1R15 | I2C4_SDA_M1 | 3.3V | / | |
SDMMC0_DETN | Default | |||||
GPIO0_A4_u | / | |||||
172 | WIFI_REG_ON_H_GPIO0_A0_d | AE24 | REF_CLK_OUT | / | 3.3V | / |
GPIO0_A0_d | Default | |||||
173 | GND | / | GND173 | / | / | / |
174 | SPKP_OUT | / | SPKP_OUT | / | / | / |
175 | SPKN_OUT | / | SPKN_OUT | / | / | / |
176 | BATDIV | / | BATDIV | / | / | / |
177 | SNSP | / | SNSP | / | / | / |
178 | SNSN | / | SNSN | / | / | / |
179 | SARADC0_BOOT | D26 | SARADC0_BOOT | / | / | / |
180 | GND | / | GND180 | / | / | / |
181 | GND | / | GND181 | / | / | / |
182 | GND | / | GND182 | / | / | / |
原创声明:本文系作者授权腾讯云开发者社区发表,未经许可,不得转载。
如有侵权,请联系 cloudcommunity@tencent.com 删除。
原创声明:本文系作者授权腾讯云开发者社区发表,未经许可,不得转载。
如有侵权,请联系 cloudcommunity@tencent.com 删除。