
前面在讲解HDMI接口之前,讲解过IDDR、ODDR、OSERDESE2、IBUF等原语,之后一直有读者在问什么时候更新ISERDESE2这个原语。前文讲解过这些原语都在HDMI或者RGMII中使用过,但是ISERDESE2这个原语目前我的板子除了HDMI输入,其余并不会使用到,所以当时就没有出。
最近在网上看并没有用户对ISERDESE2的使用讲解的很清晰,所以本文就通过手册、仿真和ILA去讲解一下这个原语的使用方式,希望对大家的使用有所帮助。
01
ISERDESE2的功能
ISERDESE2就是一个串并转换的模块,支持单沿或者双沿传输数据,其实ISERDESE2和IDDR使用的是同一个器件,所以均有双沿转单沿的功能,这可以在vivado综合后的布局布线中查看,也是同一管脚输入的信号不能同时使用IDDR和ISERDESE2的原因。
理想情况如下图所示,并行输出的数据就刚好被ISERDESE2采集,进而完成串并转换,然而真实情况是这样吗?

图1 理想情况串并转换
由于器件上电和初始化等等原因,实际的情况更可能如下图所示,并串转换模块工作时,串并转换模块还没有工作,导致并串转换模块输出的前几个数据丢失,下图中前面黑框中三个串行数据丢失。
此时串并转换模块就只能从后面黄色框中依次取八个数据进行转换,由此转换出的数据会是正常的数据?
显然不是,因此在串并转换模块正常工作的初期,往往需要对转换后的数据进行判断,如果转换后的数据不对,则需要将ISERDESE2转换的起始位置更改,直到转换后的数据正确为止,之后数据的数据才是有效的。
这个校准的过程需要用户通过ISERDESE2的BITSLIP引脚去完成,在校准的过程中,输入端必须一直循环输入一个校准序列,就像下图中一直输入8’h5c和8’h82组成的序列一样,这是相对于其他原语会难一点的地方。

图2 真实情况串并转换
通过上面知道了ISERDESE2原语需要解决的问题后,下面就通过手册讲解原语的各个端口以及参数,后面通过仿真验证前面所说的原因。
02
ISERDESE2原语端口及参数
PART
2.1
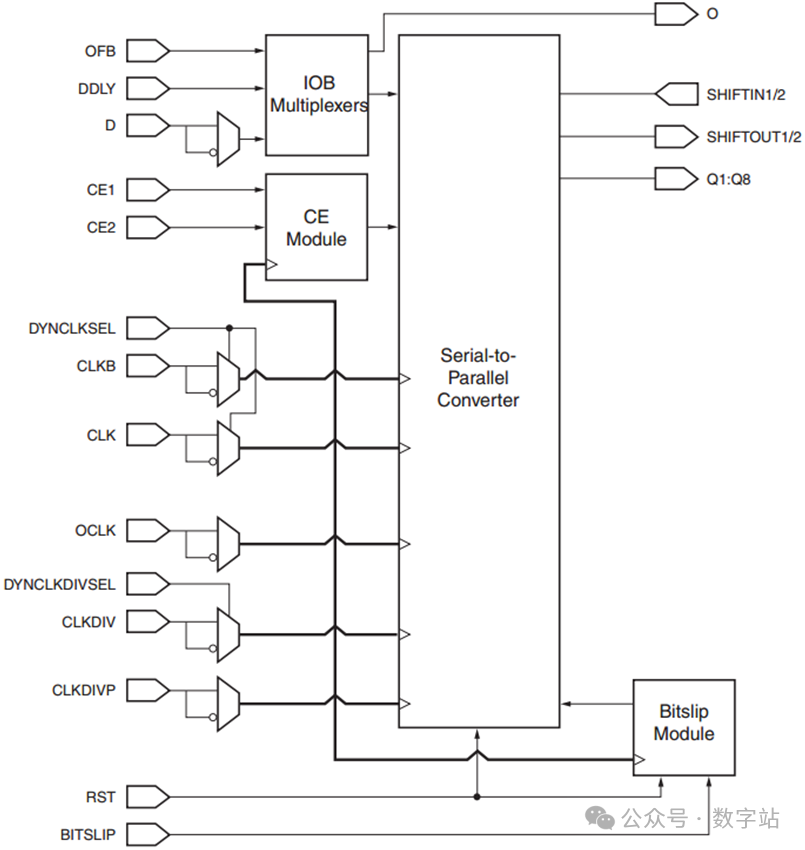
ISERDESE2端口信号
下图是ISERDESE2的框图。

图3 ISERDESE2框图
Q1~Q8:ISERDESE2模块的并行输出数据,其中Q8是最先输入的串行数据位。一个ISERDESE2块最多输出8位并行数据,在DDR双沿采样模式下,两个ISERDESE2块级联可以输出10位和14位并行数据。
Q8是接收到的最低位数据,如下图所示,OSERDESE2将8位从高到低为HGFEDCBA的并行数据转换为串行数据输出,最先输出最低位D1的值A。当ISERDESE2块接收串行数据时,Q1出现最高位,Q8出现最低位。

图4 ISERDESE2接收数据
端口O:由图3知,该端口直接连接到串行输入的几个端口,并没有经过ISERDESE2核心逻辑,可以把D或DDLY的数据直接输出。
SHIFTIN1、SHIFTIN2、SHIFTOUT1和SHIFTOUT2与OSERDESE2中该信号的原理一致,都是在两个OSERDESE2级联的时候,把从OSERDESE2的SHIFTOUT与主OSERDESE2的SHIFTIN连接。
ISERDESE2的输入可以来自FPGA的管脚,即D端输入信号。也可以来自IDELAYE2的输出,即DDLY端口作为输入。还可以来自OSERDESE2的输出,即OFB作为输入,与OSERDESE2连接方式如下所示,两个器件的OFB信号相连即可。

图5 ISERDESE2与OSERDESE2连接
ISERDESE2与OSERDESE2连接时需要添加“OFB_USED = TRUE ”属性,并且ISERDESE2和OSERDESE2的DATA_RATE、DATA_WIDTH参数必须设置一致。
高速时钟输入CLK,与串行数据流对齐。
辅助时钟输入CLKB,在MEMORY_QDR模式下,CLKB应连接到唯一的相移时钟,其余模式下,CLKB连接到CLK取反信号。
分频时钟CLKDIV,用于驱动串并转换器、Bitslip子模块和CE模块的输出,与输出的并行数据对齐。
在SDR模式下,如果输出的X位并行数据,那么CLKDIV的频率是CLK频率的1/X,如果是DDR模式,则CLKDIV的频率是CLK频率的2/X。
手册要求CLK和CLKDIV的相位必须对齐,一般推荐两种连接方式,一种如下所示,时钟输入管脚通过BUFIO之后直接作为串行输入数据的时钟信号,BUFIO优点就是路径短,延时小,缺点就是只能驱动当前时钟区域的IDDR和ISERDESE2的时钟管脚。而并行时钟需要通过BUFR进行分频,分频系数根据并行数据位宽和工作模式确定。
关于BUFIO和BUFR的相关使用,可以查看前文关于时钟资源相关原语的讲解,清晰讲解过BUFG、BUFIO、BUFR、BUFH、BUFMR的使用。

图6 时钟推荐
另一种就是通过同一个MMCM产生CLK和CLKDIV两路时钟信号,这种方式更常用。原因是BUFIO和BUFR需要用户提供高频串行时钟,如果需要几百M的串行时钟,显然用户的外部晶振一般是无法提供的。
时钟使能CE1和CE2,与参数NUM_CE的值有关。当NUM_CE为1时,使用CE1作为时钟使能信号。当NUM_CE为2时,当CLK_DIV为低电平时,CE2作为时钟使能信号,当CLK_DIV为高电平时,CE1作为时钟使能信号,对应真值表如下图所示。


图7 输入时钟使能模块
BITSLIP引脚在高电平时执行与CLKDIV同步的移位操作,后文详解。
RST复位信号,高电平有效,推荐退出复位时间与CLKDIV同步。
过采样模式时钟OCLK,仅当INTERFACE_TYPE设置不为NETWORKING,才会使用OCLK时钟。
PART
2.2
ISERDESE2原语参数
上述就是ISERDESE2原语相关的端口信号,下面讲解ISERDESE2原语的参数。
DATA_RATE用于设置ISERDESE2工作模式,可选择单沿工作模式(SDR)和双沿工作模式(DDR),默认DDR模式。
DATA_WIDTH用于设置输出并行数据位宽,取决于DATA_RATE和INTERFACE_TYPE的设置。如下图所示,SDR模式下可以设置为2、3、4、5、6、7、8。DDR模式下单个ISERDESE2块只能设置为4、6、8,两个ISERDESE2块级联可以设置为10、14。

图8 支持的数据宽度
INTERFACE_TYPE参数决定ISERDESE2是配置为内存模式还是网络模式。可选的值有MEMORY、MEMORY_DDR3、MEMORY_QDR、OVERSAMPLE、NETWORKING,默认模式是MEMORY,常用NETWORKING模式。
NUM_CE参数定义使用的时钟使能(CE1和CE2)数量,可设为1和2(默认值为2)。
OFB_USED参数使能从OSERDESE2的OFB引脚到ISERDESE2 OFB引脚的路径,禁用外部管脚输入D和IDELAYE2的输入DLY。
当使用DDR模式进行10位或者14位并行数据转换时,需要将两个模块级联,此时需要通过参数SERDES_MODE确定哪个是主ISERDESE2,哪个是从ISERDESE2。
INIT_Qn用于设置第n个采样寄存器的初始值,而SRVAL_Qn用于设置复位第n个采样寄存器后的值。
由图3知D和DDLY都是ISERDESE2的专用输入,D直接连接到IOB(直接与管脚相连),DDLY直接连接到IDELAYE2(在ISERDESE2和管脚之间有IDELAYE2加入延迟)。
允许用户把延迟或非延迟的外部管脚输入信号作为ISERDESE2输入,通过参数IOBDELAY确定D和DDLY哪个作为ISERDESE2的输入,下图是IOBDELAY参数与输入信号的关系,经常设置位NONE,将外部管脚信号作为ISERDESE2串行数据输入。


图9 IOBDELAY参数值
03
位滑块(BITSLIP)
这个信号就是进行校准的关键信号,如果没有这个信号,那么ISERDESE2的输出数据其实没有意义,很大可能是错误的。
通过拉高ISERDESE2模块的Bitslip信号,输入的串行数据流在并行端重新排序,Bitslip与CLKDIV同步。
下图说明了SDR和DDR模式下位滑移操作对数据采样的影响,ISERDESE2的数据宽度是八。在SDR模式下,每次Bitslip拉高都会导致输出数据左移一位。在DDR模式下,每次Bitslip拉高都会导致输出数据在右移1位和左移3位之间交替变化。

图10 位滑移操作示例
上述操作其实可以看成下图所示的操作,上电后因为初始化结束比较晚等原因,ISERDESE2错过了下图黑框中前三位数据的采集时刻,从红框处开始取数据进行转换。


图11 采集数据
转换结果为8’he4,并不是8’h5c或者8’h82,此时将Bitslip拉高一个CLKDIV时钟周期,则ISERDESE2会将下次采集数据的位置向后移动一位,如下图所示。
本来第二次转换应该从下图中天蓝色方框开始,因为Bitslip拉高一个时钟,就会将开始位置向后移动一位,从红框处开始转换,转换结果继续与目标结果对比,如果不是,则继续拉高Bitslip,直到ISERDESE2的输出是8’h5c或者8’h82为止。

图12 采集数据
其实用户并不需要关心Bitslip为高电平后,SDR和DDR模式下,输出数据怎么移动,只需要在这段校准的时间内保证输入串行数据一直都是8’h5c或者8’h82即可,然后去检测ISERDESE2的输出是不是8’h5c或者8’h82,不是则拉高Bitslip将转换开始的位置移动,直到找到开始转换的位置为止。
只有当ISERDESE2处于网络模式(NETWORKING)下,位滑块(BITSLIP)才可用。Bitslip每次只能拉高一个CLKDIV周期,不能在两个CLKDIV周期内连续拉高Bitslip信号。
在SDR和DDR模式下,从ISERDESE2检测到Bitslip的高电平开始,到ISERDESE2把Bitslip移动后的数据输出到Q1–Q8引脚为止,延迟时间为两个CLKDIV周期。
在分析接收到的数据模式并可能发出下一个Bitslip命令之前,用户逻辑应在SDR模式下等待至少两个CLKDIV周期,在DDR模式下等待至少三个CLKDIV周期。
综上Bitslip拉高后,需要等待至少三个时钟周期,才能检测并行输出结果是否与预期一致,进而确定是否通过拉高Bitslip信号继续调整输出。
下图是4位并行数据的DDR模式下Bitslip的时序图,数据(D)重复的4位串行数据ABCD。ABCD可能以四种方式出现在ISERDESE2的Q1–Q4并行输出端:ABCD、BCDA、CDAB和DABC,只有ABCD才是正确的输出。
拉高Bitslip信号选择所需的对齐方式(ABCD),下图显示了Bitslip的时序以及ISERDESE2并行输出Q1–Q4的校准时序。

图13 DDR Bitslip功能图
注意上图在Bitslip拉高后的第三个时钟,Q4-Q1才输出移位后的转换结果,与前文的延时一致。
04
代码设计
本文利用OSERDESE2和ISERDESE2回环,来验证前文所讲ISERDESE2和Bitslip的功能。ISERDESE2采用网络模式(NETWORKING),选择DDR的串行采样方式,并行数据位宽为8位。
OSERDESE2相关模块如下图所示,用于产生测试的并行数据,然后转换为串行数据,对应代码如下所示。
通过一个计数器cnt,上电后前64个时钟周期用于产生用于校准的序列,为8’h5c和8’h82交替发送的串行序列。当校准序列发送完毕后,通过m序列生成伪随机数据用于测试。
//--###############################################################################################
//--#
//--# File Name : oserdese2_ctrl
//--# Designer : 数字站
//--# Tool : Vivado 2021.1
//--# Design Date : 2024.4.4
//--# Description : 并串转换数据生成模块;
//--# Version : 0.0
//--# Coding scheme : GBK(If the Chinese comment of the file is garbled, please do not save it and check whether the file is opened in GBK encoding mode)
//--#
//--###############################################################################################
module oserdese2_ctrl(
input clk ,//系统时钟信号;
input clk_div ,
input rst ,//系统复位信号,高电平有效;
output ofb //直连iserdese2的OFB管脚。
);
reg flag ;//
reg [7 : 0] cnt ;//
reg [7 : 0] din ;//
//辅助生成测试信号;
always@(posedge clk_div)begin
if(rst)begin//初始值为0;
flag <= 1'b0;
end
else begin
flag <= ~flag;
end
end
//用于对校准序列个数进行计数。
always@(posedge clk_div)begin
if(rst)begin//初始值为0;
cnt <= 'd0;
end
else if(&cnt)begin
cnt <= cnt;
end
else begin
cnt <= cnt + 1;
end
end
//生成用于校准的循环数据;
always@(posedge clk_div)begin
if(rst)begin//初始值为0;
din <= 8'h82;
end
else if(&cnt)begin//如果校准序列发送完毕,则发送伪随机信号用于测试。
din <= {(din[0] ^ din[4] ^ din[5] ^ din[6]),din[7:1]};//M序列公式为x^8+x^4+x^3+x^2+1。
end
else if(flag)begin//发送校准序列8'h5c;
din <= 8'h5c;
end
else begin//发送校准序列8'h82.
din <= 8'h82;
end
end
//例化主OSERDESE2原语
OSERDESE2 #(
.DATA_RATE_OQ ( "DDR" ),// DDR, SDR
.DATA_RATE_TQ ( "DDR" ),// DDR, BUF, SDR
.DATA_WIDTH ( 8 ),// Parallel data width (2-8,10,14)
.INIT_OQ ( 1'b0 ),// Initial value of OQ output (1'b0,1'b1)
.INIT_TQ ( 1'b0 ),// Initial value of TQ output (1'b0,1'b1)
.SERDES_MODE ( "MASTER" ),// MASTER, SLAVE
.SRVAL_OQ ( 1'b0 ),// OQ output value when SR is used (1'b0,1'b1)
.SRVAL_TQ ( 1'b0 ),// TQ output value when SR is used (1'b0,1'b1)
.TBYTE_CTL ( "FALSE" ),// Enable tristate byte operation (FALSE, TRUE)
.TBYTE_SRC ( "FALSE" ),// Tristate byte source (FALSE, TRUE)
.TRISTATE_WIDTH ( 1 ) // 3-state converter width (1,4)
)
OSERDESE2_inst (
.OFB ( ofb ),// 1-bit output: Feedback path for data
.OQ ( ),// 1-bit output: Data path output
// SHIFTOUT1 / SHIFTOUT2: 1-bit (each) output: Data output expansion (1-bit each)
.SHIFTOUT1 ( ),
.SHIFTOUT2 ( ),
.TBYTEOUT ( ),// 1-bit output: Byte group tristate
.TFB ( ),// 1-bit output: 3-state control
.TQ ( ),// 1-bit output: 3-state control
.CLK ( clk ),// 1-bit input: High speed clock
.CLKDIV ( clk_div ),// 1-bit input: Divided clock
// D1 - D8: 1-bit (each) input: Parallel data inputs (1-bit each)
.D1 ( din[0] ),
.D2 ( din[1] ),
.D3 ( din[2] ),
.D4 ( din[3] ),
.D5 ( din[4] ),
.D6 ( din[5] ),
.D7 ( din[6] ),
.D8 ( din[7] ),
.OCE ( 1'b1 ),// 1-bit input: Output data clock enable
.RST ( rst ),// 1-bit input: Reset
// SHIFTIN1 / SHIFTIN2: 1-bit (each) input: Data input expansion (1-bit each)
.SHIFTIN1 ( ),
.SHIFTIN2 ( ),
// T1 - T4: 1-bit (each) input: Parallel 3-state inputs
.T1 ( 1'b0 ),
.T2 ( 1'b0 ),
.T3 ( 1'b0 ),
.T4 ( 1'b0 ),
.TBYTEIN ( 1'b0 ),// 1-bit input: Byte group tristate
.TCE ( 1'b0 ) // 1-bit input: 3-state clock enable
);
endmodule为了方便后续上板测试,OSERDESE2的串行输出信号和ISERDESE2串行输入信号采用OFB直连,不需要经过IOB,直接在芯片内部进行回环。
之后是ISERDESE2模块,对应的原语调用如下所示,采用DDR双沿采集数据模式,启用OFB作为串行输入,将输出Q8-Q1顺序调换,使得ISERDESE2输出并行数据与OSERDESE2并行输入数据保持一致。
//例化主ISERDESE2原语
ISERDESE2 #(
.DATA_RATE ( "DDR" ),// DDR, SDR
.DATA_WIDTH ( 8 ),// Parallel data width (2-8,10,14)
.DYN_CLKDIV_INV_EN ( "FALSE" ),// Enable DYNCLKDIVINVSEL inversion (FALSE, TRUE)
.DYN_CLK_INV_EN ( "FALSE" ),// Enable DYNCLKINVSEL inversion (FALSE, TRUE)
.INIT_Q1 ( 1'b0 ),// INIT_Q1 : Initial value on the Q outputs (0/1)
.INIT_Q2 ( 1'b0 ),// INIT_Q2 : Initial value on the Q outputs (0/1)
.INIT_Q3 ( 1'b0 ),// INIT_Q3 : Initial value on the Q outputs (0/1)
.INIT_Q4 ( 1'b0 ),// INIT_Q4 : Initial value on the Q outputs (0/1)
.INTERFACE_TYPE ( "NETWORKING" ),// MEMORY, MEMORY_DDR3, MEMORY_QDR, NETWORKING, OVERSAMPLE
.IOBDELAY ( "NONE" ),// NONE, BOTH, IBUF, IFD
.NUM_CE ( 2 ),// Number of clock enables (1,2)
.OFB_USED ( "TRUE" ),// Select OFB path (FALSE, TRUE)
.SERDES_MODE ( "MASTER" ),// MASTER, SLAVE
.SRVAL_Q1 ( 1'b0 ),// SRVAL_Q1 : Q output values when SR is used (0/1)
.SRVAL_Q2 ( 1'b0 ),// SRVAL_Q2 : Q output values when SR is used (0/1)
.SRVAL_Q3 ( 1'b0 ),// SRVAL_Q3 : Q output values when SR is used (0/1)
.SRVAL_Q4 ( 1'b0 ) // SRVAL_Q4 : Q output values when SR is used (0/1)
)
ISERDESE2_inst (
.O ( ),// 1-bit output: Combinatorial output
.Q1 ( q[7] ),// Q1 - Q8: 1-bit (each) output: Registered data outputs
.Q2 ( q[6] ),
.Q3 ( q[5] ),
.Q4 ( q[4] ),
.Q5 ( q[3] ),
.Q6 ( q[2] ),
.Q7 ( q[1] ),
.Q8 ( q[0] ),
.SHIFTOUT1 ( ),// SHIFTOUT1 : 1-bit (each) output: Data width expansion output ports
.SHIFTOUT2 ( ),// SHIFTOUT2 : 1-bit (each) output: Data width expansion output ports
.BITSLIP ( bitslip ),// 1-bit input: The BITSLIP pin performs a Bitslip operation synchronous to
// CLKDIV when asserted (active High). Subsequently, the data seen on the Q1
// to Q8 output ports will shift, as in a barrel-shifter operation, one
// position every time Bitslip is invoked (DDR operation is different from SDR).
.CE1 ( 1'b1 ),// CE1: 1-bit (each) input: Data register clock enable inputs
.CE2 ( 1'b1 ),// CE2: 1-bit (each) input: Data register clock enable inputs
.CLKDIVP ( 1'b0 ),// 1-bit input: TBD
// Clocks: 1-bit (each) input: ISERDESE2 clock input ports
.CLK ( clk ),// 1-bit input: High-speed clock
.CLKB ( ~clk ),// 1-bit input: High-speed secondary clock
.CLKDIV ( clk_div ),// 1-bit input: Divided clock
.OCLK ( 1'b0 ),// 1-bit input: High speed output clock used when INTERFACE_TYPE="MEMORY"
// Dynamic Clock Inversions: 1-bit (each) input: Dynamic clock inversion pins to switch clock polarity
.DYNCLKDIVSEL(1'b0 ),// 1-bit input: Dynamic CLKDIV inversion
.DYNCLKSEL ( 1'b0 ),// 1-bit input: Dynamic CLK/CLKB inversion
// Input Data: 1-bit (each) input: ISERDESE2 data input ports
.D ( 1'b0 ),// 1-bit input: Data input
.DDLY ( 1'b0 ),// 1-bit input: Serial data from IDELAYE2
.OFB ( ofb ),// 1-bit input: Data feedback from OSERDESE2
.OCLKB ( 1'b0 ),// 1-bit input: High speed negative edge output clock
.RST ( rst ),// 1-bit input: Active high asynchronous reset
// SHIFTIN1, SHIFTIN2: 1-bit (each) input: Data width expansion input ports
.SHIFTIN1 ( ),
.SHIFTIN2 ( )
);之后需要对ISERDESE2并行输出进行校准,OSERDESE2产生的校准序列是8’h5c和8’h82交替串行序列,因此ISERDESE2转换结果也应该是8’h5c或者8’h82。如果转换结果不是这两个数据,那么将bitslip拉高一个时钟周期,对应代码如下所示。
//当没有完成校准时,如果检测到转换结果与要求不一致,则把该信号拉高。
always@(posedge clk_div)begin
if(rst)begin//初始值为0;
bitslip <= 1'b0;
end//当没有校准,且没有处于校准阶段时检测到串并转换结果不为8'h5c或者8'h82时拉高;
else if(((q != 8'h5c) && (q != 8'h82)) && (~slip_flag) && (~bitslip) && (~dout_vld))begin
bitslip <= 1'b1;
end
else begin//其余时间拉低;
bitslip <= 1'b0;
end
endBitslip拉高之后,ISERDESE2输出数据不是立即有效的,需要经过几个时钟的转换时钟,手册中说SDR模式需要消耗2个时钟,而DDR模式需要消耗三个时钟。
为了方便设计,此处直接使用一个位宽为2的计数器,每次bitslip拉高之后,等待4个时钟,之后才对ISERDESE2的并行数据进行检测,确定是否满足要求,bitslip还是否需要拉高。
//滑块计数器,因为bitslip拉高后,输出需要经过一段时间才会有效,因此这段时间不能对输出数据进行读取判断。
always@(posedge clk_div)begin
if(rst)begin//初始值为0;
slip_cnt <= 'd0;
end
else if(slip_flag)begin//对bitslip拉高后的时钟计数。
slip_cnt <= slip_cnt + 'd1;
end
end
//bitslip拉高后的标志信号,初始值为0,当bitslip拉高时拉高,当slip_cnt计数器计数到最大值时清零。
always@(posedge clk_div)begin
if(rst)begin//初始值为0;
slip_flag <= 1'b0;
end
else if(&slip_cnt)begin
slip_flag <= 1'b0;
end
else if(bitslip)begin
slip_flag <= 1'b1;
end
end在校准阶段ISERDESE2输出可能会出现偶然结果,导致没有校准情况下,输出的部分并行数据与校准序列一致。为了避免这种情况,应该多次检测连续输出数据均与校验数据一致时,才认为校准完成。
因此需要一个计数器,对ISERDESE2输出的正确数据进行计数,当bitslip拉高或者处于拉高后的一段时间时,证明前面检测到的数据错误,将计数器清零。
当连续检测CNT_NUM个数据均正确时,认为校准完成,将计数器置为最大值,之后一直保持不变。
//转换成功计数器,用于记录校准阶段,当校准阶段检测到固定个连续有效数据时,认为校准成功。
always@(posedge clk_div)begin
if(rst)begin//
cnt <= 0;
end//当在校准阶段时,当bitslip有效时拉高;
else if((slip_flag || bitslip) && (~dout_vld))begin
cnt <= 0;
end
else if(cnt == CNT_NUM - 1)begin//当检测到固定校准数据时,计数器保持该数值。
cnt <= CNT_NUM - 1;
end
else if(add_cnt)begin
cnt <= cnt + 1;
end
end
//当不处于移动滑块状态且检测到输出数据为规定数据时加1.
assign add_cnt = ((q == 8'h5c) || (q == 8'h82)) && (~slip_flag) && (~bitslip);
//将转换后的数据输出,只有当校准完成后,输出有效指示信号磁能拉高,表示输出的数据有效。
always@(posedge clk_div)begin
dout <= q;
dout_vld <= (cnt == CNT_NUM - 1);
end之后是顶层模块的处理,对于串行时钟和并行时钟的处理方式有如下两种,第一种是本时钟区域的外部时钟管脚输入串行时钟信号,之后通过BUFIO作为ISERDESE2和OSERDESE2的串行时钟信号。通过BUFR分频输出的时钟作为ISERDESE2和OSERDESE2的并行数据时钟信号,对应代码如下所示。
但是这种方式仿真会出现错误,OSERDESE2输出的数据始终是不定态,不知道为什么。另外要求输入串行时钟,然而串行时钟一般频率很高,用户的晶振一般是提供不了的,因此这种方式不太常用。
//调用BUFIO;
/*BUFIO u_BUFIO (
.O ( o_clk ), // 1-bit output: Clock output (connect to I/O clock loads).
.I ( clk ) // 1-bit input: Clock input (connect to an IBUF or BUFMR).
);
//调用BUFR对时钟进行分频;
BUFR #(
.BUFR_DIVIDE ( "4" ),//Values: "BYPASS, 1, 2, 3, 4, 5, 6, 7, 8"
.SIM_DEVICE ( "7SERIES" ) //Must be set to "7SERIES"
)
u_BUFR (
.O ( clk_div ),//1-bit output: Clock output port
.CE ( 1'b1 ),//1-bit input: Active high, clock enable (Divided modes only)
.CLR ( 1'b0 ),//1-bit input: Active high, asynchronous clear (Divided modes only)
.I ( clk )
);*/另一种时钟处理方式是使用同一个MMCM,生成串行时钟和并行时钟,对于输入时钟频率没有太大要求。本文外部输入100MHz时钟信号作为ISERDESE2和OSERDESE2的并行时钟信号,通过MMCM生成400MHz作为串行时钟信号。对应代码如下所示:
clk_wiz_0 u_clk_wiz_0(
.clk_out1 ( clk_div_o ),//output clk_out1
.clk_out2 ( clk ),//output clk_out2
.reset ( rst ),//input reset
.clk_in1 ( clk_div ) //input clk_in1
);MMCM的输出配置如下所示:

图14 MMCM输出配置
之后顶层模块需要例化前面两个模块,对应的完整代码如下所示。
//例化并串转换原语;
oserdese2_ctrl u_oserdese2_ctrl(
.clk ( clk ),//系统时钟信号;
.clk_div ( clk_div_o ),
.rst ( rst ),//系统复位信号,高电平有效;
.ofb ( oserdese_ofb )
);
//例化串并转换原语;
iserdese2_ctrl u_iserdese2_ctrl(
.clk ( clk ),//系统时钟信号;
.clk_div ( clk_div_o ),
.rst ( rst ),//系统复位信号,高电平有效;
.ofb ( oserdese_ofb ),
.dout ( o_iserdese2 ),//输出数据
.dout_vld ( o_iserdese2_vld ) //输出数据有效指示信号;
);
//例化ILA
ila_0 u_ila_0 (
.clk ( clk_div_o ),//input wire clk;
.probe0 ( u_oserdese2_ctrl.din ),//input wire [7:0] probe0;
.probe1 ( u_iserdese2_ctrl.q ),//input wire [7:0] probe1;
.probe2 ( u_iserdese2_ctrl.dout ),//input wire [7:0] probe2;
.probe3 ( u_iserdese2_ctrl.cnt ),//input wire [3:0] probe3;
.probe4 ( u_iserdese2_ctrl.slip_cnt ),//input wire [1:0] probe4;
.probe5 ( u_iserdese2_ctrl.bitslip ),//input wire [0:0] probe5;
.probe6 ( u_iserdese2_ctrl.slip_flag),//input wire [0:0] probe6;
.probe7 ( u_iserdese2_ctrl.add_cnt ),//input wire [0:0] probe7;
.probe8 ( u_iserdese2_ctrl.dout_vld ) //input wire [0:0] probe8;
);顶层模块对应的RTL视图如下所示:

图15 顶层模块RTL
05
工程仿真
对应的TestBench很简单,只需要提供时钟和复位信号即可,如下所示:
//--###############################################################################################
//--#
//--# File Name : testBench
//--# Designer : 数字站
//--# Tool : Vivado 2021.1
//--# Design Date : 2024.4.4
//--# Description : 测试串并转换原语
//--# Version : 0.0
//--# Coding scheme : GBK(If the Chinese comment of the file is garbled, please do not save it and check whether the file is opened in GBK encoding mode)
//--#
//--###############################################################################################
`timescale 1ns / 1ps
module test ();
localparam CYCLE = 10 ;//系统时钟周期,单位ns,默认10ns;
localparam RST_TIME = 10 ;//系统复位持续时间,默认10个系统时钟周期;
reg clk ;//系统时钟,默认100MHz;
reg rst_n ;//系统复位,默认低电平有效;
wire [7 : 0] o_iserdese2 ;
wire o_iserdese2_vld ;
top u_top(
.clk_div ( clk ),//系统时钟信号;
.rst_n ( rst_n ),//系统复位信号,低电平有效;
.o_iserdese2 ( o_iserdese2 ),
.o_iserdese2_vld ( o_iserdese2_vld )
);
//生成周期为CYCLE数值的系统时钟;
initial begin
clk = 0;
forever #(CYCLE/2) clk = ~clk;
end
//生成复位信号;
initial begin
rst_n = 1;
#2;
rst_n = 0;//开始时复位10个时钟;
#(RST_TIME*CYCLE);
rst_n = 1;
@(posedge o_iserdese2_vld);//校准完成;
repeat(400)@(posedge clk);
$stop;//停止仿真;
end
endmodule之后运行vivado仿真,下图是OSERDESE2的时序图,将并行数据转换为串行数据输出,串行数据与时钟clk的双沿对齐。

图16 OSERDESE2时序
之后查看ISERDESE2时序,如下图所示,在校准开始阶段,ISERDESE2输出数据Q为8’h20,并不是校准序列8’h5c或者8’h82,所以将bitslip拉高一个clk_div时钟宽度。
等待四个clk_div时钟周期后,再次检测ISERDESE2输出并行数据,依旧不是规定数值,继续拉高bitslip进行调整。

图17 OSERDESE2时序
直到某次调整之后,ISERDESE2输出的并行数据序列均为8’h5c或8’h82,如下图所示,此时就可以拉高bitslip了。

图18 OSERDESE2时序
之后检测连续16个ISERDESE2并行输出数据,如果均为规定序列,没有问题,则将dout_vld拉高,表示输出数据已经对齐,是有效数据。
如果检测过程中出现错误,则计数器清零,bitslip拉高继续调整,直到满足要求即可。


图19 计数器对校准序列计数
下面是截取当转换完成后,发送端校验数据发送完成之后,发送伪随机的测试数据,ISERDESE2的输出依旧是正确的,证明前文的校准方式没有问题。

图20 接收伪随机序列
上述仿真就没有问题了,之后上板通过ila抓取相关信号,查看结果是否正确。
06
上板测试
至于在使用OFB回环时,为什么不能使用D管脚,如下图所示,ISERDESE2和OSERDESE2会使用掉一个管脚的ILOGIC和OLOGIC资源,导致这个IOB管脚不能使用,ISERDESE2的D管脚就不能使用了。
下图中白色走线就是ISERDESE2和OSERDESE2的OFB回环走线。


图21 IO资源分布
工程综合完毕之后,将代码下载到开发板中,之后把dout_vld的上升沿作为ILA的触发条件。由于该条件在复位之后只会触发一次,因此在ILA启动之后,需要按一下开发板的复位引脚,才能够触发条件,对应截图如下所示。


图22 ILA的触发条件设置
如下图所示,开始校准时,ISERDESE2输出并行数据并不是校准序列的8’h5c或者8’h82。之后把bitslip拉高一个时钟,调整串并转换的起始位置,下图只调整了两次,ISERDESE2就输出了正确数据。

图23 校准时序
计数器cnt对ISERDESE2输出的正确数据进行计数,当ISERDESE2连续输出16个正确数据时,认为校准成功,如果觉得16个太少,在校准的时候可以设置更大的数据。


图24 校准计数器
最后就是对比校准后伪随机序列的转换了,din是OSERDESE2并串转换的输入数据,而dout是ISERDESE2串并转换的输出结果,下图中两图的数据相等,证明校准电路和串并转换均没有问题。
din和dout有延时是正常现象,因为两者中间有很多电路和触发器嘛,延时是正常的。

图25 转换数据
关于ISERDESE2的讲解到此结束了,本文虽然只是讲解了DDR模式的使用,但SDR原理也是类似的,只不过是单沿转换数据,两个时钟频率的比值不一样罢了。
主要理解bitslip的使用,才能够真正的了解该模块,不必在意bitslip拉高后,数据该怎么移动,只需要关注ISERDESE2输出是不是需要的输出,不是就继续通过bitslip调整ISERDESE2输出。这个校准的过程需要输入一直连续输入固定序列,不然无法校准。