医用眼科前房高精度侵入式压力传感器
医用眼科前房高精度侵入式压力传感器.硬件方案
忙到飞起?(可能是我磨蹭吧)
之前写过这个东西,后面又断断续续的写了其他的一些东西,这篇文章是尽量的给出一个详细的电路设计。但是后面又看到不少好玩的东西我就都写进去了,所以文章和以往一样没有那么纯粹,而且一些具体的参数性调节的计算可能不会写很多,不过之后都会补上的。
一个电子设计其实大多数的时候都是围绕着一个关键的器件展开工作的,这次的设计就是以一个压力的传感器展开。
最简单的电桥包括由4条支路(又称桥臂)形成的闭封回路(即桥体)和辅助设备(见图。后者主要有电源和检测仪表各支路由电参数元件组成,它们的4个连接点A、B、C、D称作顶点。电源接在两个相对顶点间,检测仪表接在另两个相对顶点间。桥式测量电路于1833年首先由S,H.克里斯蒂发明。当时电桥一词系指连接两个相对顶点的支路,特别是图中的检测仪表支路,如同在相对顶点间架设的一座小桥。后来,电桥这一名词被用来泛指整个线路。复杂的电桥还包括更多数量的桥臂。

电桥有两种工作方式。
平衡方式。检测仪表支路两端的电位差为零,且该支路中的电流为零,因而检测仪表又称指零仪表。如以被测元件为一个桥臂,而其他各臂由标准元件组成,则当电路平衡时,可读出或计算出被测参数的量值。工作在平衡方式的电桥,特点之一是测量结果不受电源电压高低和变化的影响。这种工作方式多用于对测量准确度要求较高的情况。
不平方式。检测仪表支路两端的电位差不为零,该支路中有电流通过。检测仪表的指示数是被测参数变化的函数。这种工作方式多用于非电量的电测量和生产过程的检测中。电桥主要用于测量电路元件(如直流电阻、交流电感、电容、电阻等)的量值、变化量,也用于测量转换为电参数的非电量

我们使用的这个欧姆龙是第一种模式

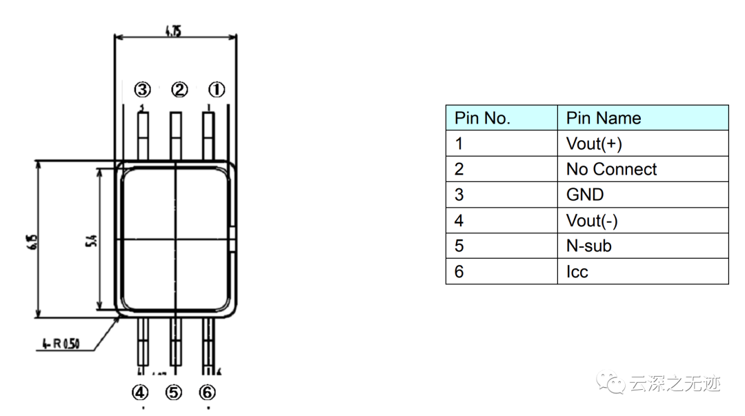
在使用以前需要知道引脚怎么连接

正好嘉立创有这样的封装

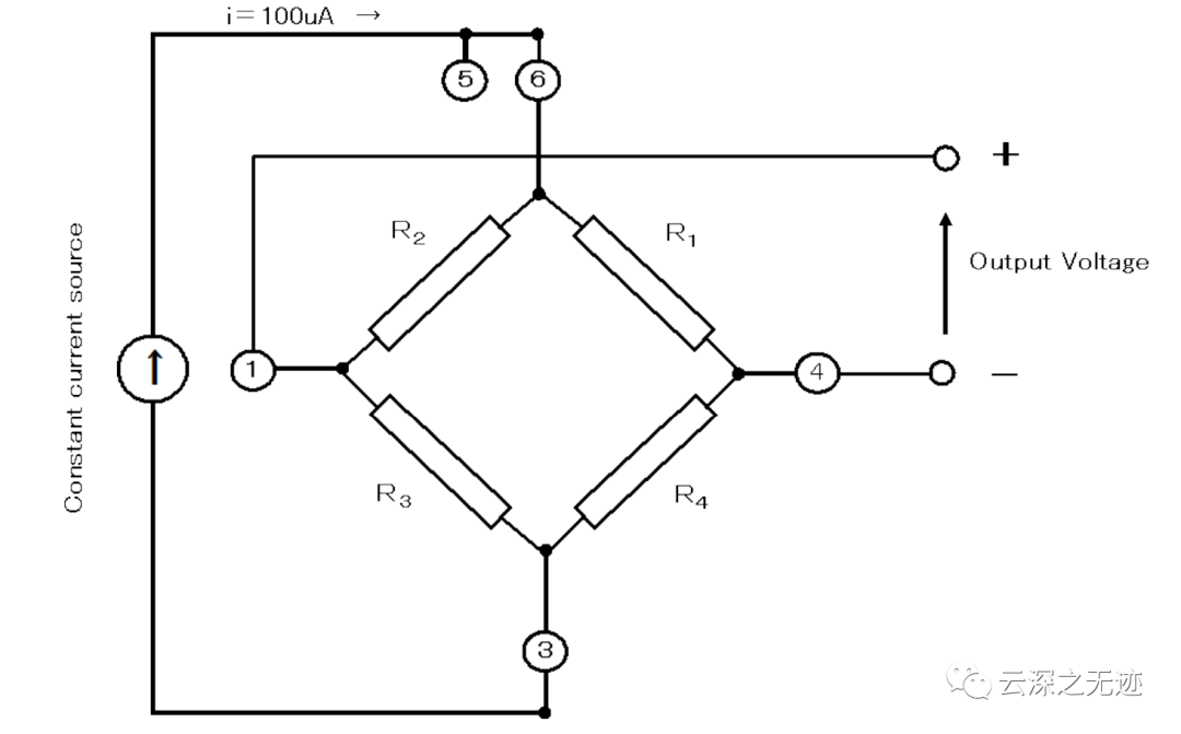
搬我文章以前的图了,大概测量的图就是这样,要连接4个口
因为电桥的话是差分的电压输出,而且必须要加一个恒压提供激烈,不然传感器本体是出不来什么信号的,即使它再小,也没有。

我个人是用AD620多,这里也放一个测量用的电路
是一个3Kg的压力电桥,后面的AD705是一个缓冲器,就是给REF的。这个AD705是没有见过的。

停产了呀

看这个输入的偏置电流就知道是个FET器件的运放
然后需要一个恒流源的电流,这些是具体的计算

恒流

增益

注意,要加一个恒流源的电路,需要使用一个运放

运放反相和正相输入端电压总是相等
运放反相和正相输入端没有电流输入
只需要在正相输入端提供稳定参考电压,反相连接限流电阻和负载,就可以实现简易的恒流源。恒流源的电流大小只和限流电阻阻值有关系,与负载阻值没关系。调节负载阻值不会改变电流大小,但是会改变运放输出端的电压。

知乎老哥的一个文章不错
参考电压3V,限流电阻10KΩ,意味着恒流源电流为0.3mA(300uA)。负载阻值从100Ω到9.9kΩ可调。
特别的,在100Ω情况下,运放输出端电压为3V(3.02V)。
还有一个搭配三极管的电路也很好~

电阻R2起到对运放的保护作用,这个值不能太大,一般取值10R左右。(一点小经验吧,我们设计的产品中一般都有加);
电阻R3为三极管提供一个基极电流;
电阻R4位采样电阻,RL为负载电阻;
电阻R5起缓冲限流的作用,一般选取1K~100K之间(也有些电路没加这个电阻)。
原理是:实际原理是当采样电阻R4的电压变化时,直接反馈到运放的反相输入端,它与同相输入端电压的差值被运放放大,输出控制三极管的基极电流,改变三极管的内阻,从而改变发射极与集电极间的电压降,从而使采样电阻的电压保持不变,以达到负载电流恒定的目的。
电路的缺点:
虽然,三极管发射极电流与集电极电流近似相等,但实际上,发射极的电流还包含了基极电流。

可以看出,运放输出级使用三极管时,输出电流会产生基极电流分量这一误差。如果此时还不满足电路精度要求,可将三极管改成MOS管。
MOS管属于压控器件,栅极需要的电流很小。IRL和IR4可以非常的接近,相比三极管而言,电流的精度提升了。

升级;一点点

这个也是一个,稳定的电压通过一个R1转换成电流
在这样推荐的电路图中,仪表放大器如德州仪器LMV324具有四个运算放大器,可用于增益调节。R3应采用具有良好温度特性的金属膜电阻器。
此外,还需要根据要使用的增益调整连接在R10上的Ref 电压值。
例如:
如果增益= 21,则Ref= 1.0 [V],
如果增益=201,则需要Ref= 1.5 [V]。
本来是想好好的写到尾的,但是没有办法,文档里面的知识太多了。

20年前的文档,后面是有仿真的结果的,也说明了这里到底是什么设计

现在的,方案还是一样
INA系列具有低失调电压和低失调电压漂移的特点。大多数应用不需要外部偏移调整。显示了用于调整输出失调电压的可选电路。
施加到 Ref 引脚的电压被添加到输出信号中。运算放大器缓冲器在 Ref 引脚处提供低阻抗,以保持良好的共模抑制。

这就是提供一个泄露使用的通道
输入阻抗极高,约为 10^9 Ω。然而,必须为两个输入的输入偏置电流提供一条路径。该输入偏置电流通常为 –10 nA(电流从输入引脚流出)。高输入阻抗意味着该输入偏置电流随着输入电压的变化而变化很小。
输入电路必须为该输入偏置电流提供一条路径才能正常运行。如果没有偏置电流路径,输入会浮动到超过共模范围的电位,并且输入放大器将饱和。如果差分源电阻较低,则可以将偏置电流返回路径连接到一个输入 。
我是想着就用欧姆龙的传感器,然后也是使用Ti 的 INA 仪表放大器,然后是LMC6482,里面一个运放做恒流源,一个做同向放大器(或是是REF的偏移器,需要我调试),系统也是喜欢一个稳健的电源以及一个MCU和一个显示器和交互的按键啥的?还需要一个上位机。

还是把以前的图拿来,继续的分析

原理图是这样绘制

先简单的来把电桥鸡儿运放塞一起

使用网络标签让它看起来好看一些,注意电桥上面的电源是下面运放给的

然后核心器件是电桥,所以这里就按照参考设计搭建,但是这个恒流源也不难。
现在的问题是还有一个运放,是做REF还是同相放大器呢?

可以先看一个换算

大概就是这样

按照这个来看,就是0~10mV之间的
模拟信号从压力传感器传递过来的转换为通过Arduino Due板的采集速率为50毫秒(20Hz).
采样次数 = 采样频率 × 时间(秒)
在这种情况下,采样频率为20Hz,时间为50毫秒,将时间转换为秒:
时间 = 50毫秒 = 0.05秒
现在,使用公式计算采样次数:
采样次数 = 20Hz × 0.05秒 = 1次采样
这个是原版论文里面的采样率也就是20Hz。
内部电路确保外部压力测量范围不会产生大的电压足以损坏Arduino。这是实现通过内置在压力传感器中的惠斯通电桥。然后电压以精确的增益放大。使用仪表放大器,设置灵敏度的的压力测量。

再看看,前面是INA,走线等长差分,下面是运放搞得恒流源。不对,两个顺序换一下,第二个是INA,因为很明显有增益电阻,然后接着是一个LDO,给运放接电,俩电容实在是抢眼。看着是直接他妈的接了个电阻在输出口上,应该是还有一个二极管,小信号的,但是跨在芯片之间。
然后限制输出使用两个限制器电路;一个为上界,另一个为其他为期望压力下界范围内。
上界和下界由由于Arduino的内部ADC,但灵敏度测量值的大小可以通过调整仪表放大器的反馈电阻。这内部Arduino的ADC将模拟信号数字化信号在用户定义的采样率。

那就按照是3.6V吧
放大倍数 = 输出电压范围 / 输入电压范围
在这种情况下,输出电压范围是3.6V,输入电压范围是5mV。
放大倍数 = 3.6V / 5mV = 720

需要一个精密的电阻+一个电位器

大概输出的摆幅在-2.5~2.5之间是最好的

看着参考设计最后是给了一个1V DC的参考,这里就最后一个运放就这样用。

OK,大概就是这样,需要缓冲的地方设置成1V

大概就先这样,还有很多的细节我没有绘制上,不过最重要的还是布线

这张图我是觉得有学习的地方,其一级是精密的运放,那么为了整体的性能,下一级就是放一个低噪音的运放了。

刘总出来挨打

我看的设计书里面这个也有大量的论述(就几页而已)
在找芯片的时候,看见了国产的润石,基本上是常见的领域都有替代了。

我朋友圈吐槽的时候被抓到了,怪不得感觉润石的文档一股子TI味

是我的菜

感觉参数还是很好看的,FET的应该是

是经典的三运放结构

封装没有SOIC



这些就不说了,一股子的TI味道(好喜欢)

这个芯片值得好好研究

我仿真了一下,原来是这个电路可以提供一个非常小的电压

pV

还是非常小的pV级别的

上面的电压和这个Vos会加在一起,要校准芯片的直流性能

RS8541是一款低功耗、零漂移、轨对轨输入输出的精密运算放大器,它的工作电压范围在2v到5.5v,失调电压为±7uV,失调电压温漂为±0.08uV/℃的,它具有低至40uA的静态电流,这些特性保证了它的高精度和低功耗。电源抑制比为110db,共模抑制比为120dB,提高了抗电源噪声和共模干扰的能力,130dB的高开环增益也保证了运放的高精度。Rs8541的这些特性也使其广泛应用于各种传感、仪表、医疗器械以及精密计量设备等。


也就是看右上角的这个框图,也就是低阻+运放构成的一个直流校准系统(我瞎说的)
下面是我看的一个拆机的视频,感觉有很多要需要的地方。

首先就是一些芯片可以提起绘制好,为了升级,以及使用GH的小接口
充电和复位安装在一起,看起来也是比较合理的

然后在做展示的时候使用这样的动画效果

这个是接口的细节,DJI的硬件也是喜欢这样的搞

记得留下很多的测试点,在测试点上面写好丝印

这个是一个验尿的机器,LCD的屏幕很小巧

PCB是绘制的真漂亮啊

然后就是欣赏PCB

这个是一个我没有见过的传感器
测试时,首先尿液顺着结构浸润试纸的膜块上,膜块会跟你尿液中的物质发生颜色变化,颜色深浅与尿液中的相应物质的浓度成正比,然后膜块受到 LED 光源照射会产生不同的反射光,不同的反射光也就是对应尿液中不同的生化成分的含量(到这里你其实已经发现了,这部分检测原理本质上就是对光的吸收和反射,也就是光电比射原理),然后彩色传感器接受反射光转化为电信号 --->再通过 MCU 计算处理输出到屏幕上。同时,如果你手机绑定了 HiPee,结果也会通过 WiFi 同时推送到你手机上。

这个是上面的方案图

还有爆炸的装配图

我一直以为是彩色的屏幕最好,没想到普通的屏幕用到恰到好处也很美