模拟信号链研究到现在,我只想说,什么电压,什么基准,其实背后的大 Boss 是阻抗,是的,就是阻抗,影响频率的最大“黑粉头子”。前几天的徐老师电桥大家感兴趣的也不少。
当然也有商业的电桥:

以我的财力我只能买这个。。。
这个功能倒是齐全,但是是很大,如果我们想要成百上千的测量通道时,又显得不那么现实(日置高兴死了),在当下既要又要的情况下。
ADI 当然也洞察了这个需求,那给出的答案就是 ADMX 系列:

3652 这个,全网我折腾的最多
这个在分类里面属于:

这个
那表征器件本身参数的仪器我们一般称为 LCR:

也就是 2001
这次挺好的,不用拆了,因为没壳子

一个比较好的图是这样的
关键的器件都在上面了

甚至还可以再细节一点

这个是展会的图,小板子+载板
我觉得先讲原理,再讲信号链才是正确的路径,这个仪器使用的是平衡桥式架构。
平衡桥式架构 = 用一个已知阻抗与未知阻抗“对比”,通过调节或计算使桥达到平衡,从而求出未知阻抗。
这是最经典的“平衡桥”,结构:
R1 R2
───Ω───o───Ω───
|
| (检测点)
|
───Ω───o───Ω───
Rx R3
当桥“平衡”时:
此时检测点电压 = 0,其实过程中没有直接测 ,而是:
把它和已知电阻“比”,让系统变成 0,然后反推出它
对于ADMX2001,我们不是测电阻,而是:
于是桥变成:
Z1 Z2
───Z───o───Z───
|
| (检测点)
|
───Z───o───Z───
Zx Z3
现在平衡条件变成:,这时候:实部平衡 → 电阻匹配;虚部平衡 → 电抗匹配。
现在可以给出严格定义:
一个包含未知 ,一个包含已知参考
测:
当:
就得到关系式 → 解出
实际上,对于我们感兴趣的 R 这种参数:

我们想的是在 R 上加一个恒流源,然后来测量差分电压
只需要两个端口:

而阻抗这样需要 4 个引脚
四个检测插头”,本质上就是:四端测量(Kelvin connection / 4-wire measurement)
这四个插头通常是:
H+ H-
L+ L-
或者叫:
Force+(驱动+)
Force-(驱动-)
Sense+(测量+)
Sense-(测量-)
它们的作用把“施加电流”和“测量电压”分离开。
先看普通两线测量:
仪器 ----导线---- DUT ----导线---- 仪器
测量到的是:
导线接触
在这个过程中导线电阻,接触电阻,焊点,PCB trace,都会混进去;在低阻测量时特别致命,如:DUT = 10 mΩ+导线 = 50 mΩ,误差 500%。
结构变成:
(Force+) ─────────┐
│
┌───┴───┐
│ DUT │
└───┬───┘
│
(Force-) ─────────┘
(Sense+) ─────────┐
│
┌───┴───┐
│ DUT │
└───┬───┘
│
(Sense-) ─────────┘
Force 线(驱动), 负责:输出电流 / 电压,可以承受电流,有压降没关系
Sense 线(检测),负责:测 DUT 两端电压,几乎没有电流
所以:
但:
错了
而:
正确
结合前面理解的测量链:
Force 线,由 DDS + DAC 驱动,通过 100Ω + 10Ω,向 DUT 注入电流(这个参数在 WIKI 里面有);Sense 线,直接测 DUT 两端电压,输入到电压 ADC 通道,关键是不经过大电流路径
端子标准定义:
端子 | 作用 |
|---|---|
H+ | 高端驱动 |
H- | 高端返回 |
L+ | 低端检测 |
L- | 低端检测参考 |
或者:
名称 | 功能 |
|---|---|
Force+ | 注入电流 |
Force- | 回流路径 |
Sense+ | 测 DUT 电压 |
Sense- | 测参考点 |
现在测的是:
如果不用四端,测到的是:
线
最大的问题还是相位错,另外在高频下的额外意义,不仅仅是电阻问题!
四端结构还能减少寄生参数;先说寄生电感,主要是导线电感:
高频下变大
剩下就是寄生电容,主要是探头电容:
在高频下变小

完整仿真也有,等我心情好放出来
这四个插头的本质作用是:把“施加信号的路径”和“测量信号的路径”彻底分开,从而只测到 DUT 本身的阻抗。
在前面已经理解:
区别在这里:
方法 | 本质 |
|---|---|
V/I 法 | 直接测 |
桥式法 | 比较测 |
桥式法的核心优势是不依赖绝对精度,只依赖比例;“数字平衡桥”会产生两个信号:DUT 路径+参考路径,然后测差分
然后用 DSP 解:
质仍然是桥,只不过平衡是在“数学上完成的”,不是靠旋钮,桥最大的优点是抑制共模误差,因为测的是:
可以抵消电源噪声,共模干扰,线缆耦合;另外看公式知道是比例测量,桥测量的是:
所以增益误差不敏感,ADC 绝对精度要求降低,更不需要基准(好的基准)这些。
总之桥式其实等价于:
不直接测电流,用参考阻抗代替。
在 WIKI 里面有张不错的图:

喜欢捏~

Vs → Rs(100Ω) → HCUR → DUT
可以产生交流激励,通过 100Ω 控制电流范围。

HPOT → (+)
LPOT → (−)
输出:
POT ≈ Vx(DUT 两端电压)
使用差分测量(四端 Sense),不受电流路径影响

就这?散会!
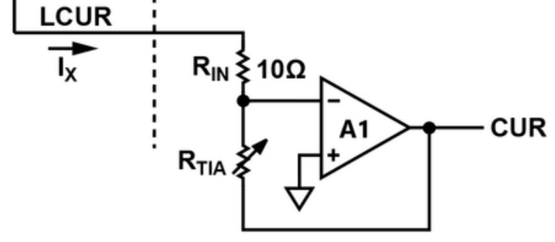
LCUR → 10Ω → TIA → 运放
输出:
CUR ≈ Ix × RTIA
完整对应:POT → ,CUR →
挖掘隐藏的桥结构,可以这样重写系统:
DUT
Vs ────┬───────┐
│ │
100Ω 测量
│ │
└───10Ω─┘
本质上是在比较:
换一种写法(桥形式)
这是一个典型的分压桥(阻抗桥)
传统桥:
这里没有调到 0,而是:
但 是桥的一侧, 来自参考路径,所以本质仍然是:通过已知路径(100Ω + 10Ω)和 DUT 比较。
现在四个端子是:
端子 | 作用 |
|---|---|
HCUR | 激励电流输入 |
LCUR | 电流回路(进入 TIA) |
HPOT | 电压测量正端 |
LPOT | 电压测量负端 |
电流路径(Force):HCUR → DUT → LCUR → TIA
电压路径(Sense):HPOT → DUT → LPOT
先限流:
提供测量稳定性,避免:DUT 太小 → 电流爆炸,导致ADC 饱和,重要的是形成“桥比例”
电流主导
(下一篇写写硬件设计)