一,电子控制单元ECU
ECU全称是Electronic Control Unit。随着汽车电子设备的引入,汽车中很多机械组件逐渐改为汽车电子设备,导致ECU在新能源汽车中的占比越来越大。ECU在汽车电子中完成特定的控制功能,控制范围包括发动机,雨刷器,制动器等。
ECU的核心部件是微控制器(CPU),其他重要组件还有RAM、EEPROW、I/O接口,驱动电路等。光有硬件还不够,还需要驱动程序代码和嵌入式应用程序代码,不然ECU如同一块板砖。
ECU利用车载总线进行通信,来接收其他ECU或传感器的信息。

、
一台新能源汽车可以有100个甚至更多的ECU。

在引入ECU之前,车辆的大部分功能都是机械控制的。比如将空气燃料混合物送入发动机气缸的化油器,吸入化油器的空气量由连接到油门踏板的节气门决定。

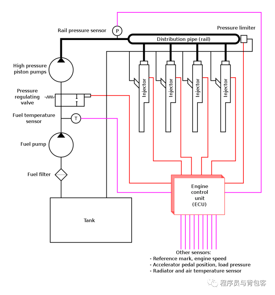
使用ECU实现以后,变成下面图示这种,由ECU控制燃油的喷射。ECU获取诸如油门踏板角度、发动机温度、发动机转速等更详细的数据,并将数据输入给算法,基于算法计算出更准确的燃油量并激活燃油喷射器。

ECU的常见使用场景:
发动机控制
车身控制
变速箱控制
电机控制
电池管理系统
使用ECU带来的好处:
1.降低排放,节省能源。
2.基于算法的控制系统比机械控制更灵活更精准。
3.ECU使用了各种传感器,使汽车对外界因素的感应更灵敏。
4.利用电信号来替代机械信号,传输和控制更加高效。
二,域控制器DCU
域控制器(Domain Control Unit)的产生:由于汽车电子的发展,ECU的使用量大大增加,导致对控制总线的消耗越来越大。为了减少控制总线的长度和ECU的数量,将各分散的单个ECU和传感器,控制器集成到一起,按照功能划分为一整个域,形成算力更强的域控制器。
所谓的域,是指汽车电子按照功能划分出来的若干个功能模块。每个域内部集成了多核CPU/GPU芯片、CAN和FlexRay通信总线。同一个域内的不同ECU单元之间利用通信总线进行信息交互。而不同的域之间主要基于以太网进行通信。
如图,左边为传统分布式ECU架构,右边为域控制器集中式架构。

域控制器的分类
不同整车厂对域控制器的分类不同,有的按照三大域来划分,比如大众,三大域分为:自动驾驶域、智能座舱域、车身控制域。也有的车厂按照五大域来划分,比如博世,五大域分为:动力域、底盘域、座舱域、自动驾驶域、车身域。
动力域
也被称为安全域,主要负责对动力总成的控制和优化。借助总线,实现对变速器、电驱(电机、逆变器、减速器)、电控系统(变压器、加热器、充电器等)的控制,对电池的监控和对发电机的调节。还能完成电气故障诊断,智能节电等功能。
车身域
负责控制车身整体,集成了对所有分散化的车身部件的控制。比如雨刷、车窗、尾门、刹车灯、尾门锁等。
底盘域
主要控制汽车的行驶过程。底盘由传动系统、行驶系统、转向系统和制动系统组合而成。底盘域的控制还包括助力转向系统、电动刹车助力器等。
座舱域
座舱域涉及的部件包括组合仪表、中控大屏、抬头显示等。可以通过车载仪表和HMI面板实现人机交互。座舱域不仅包含传统的车载导航、仪表盘等传统的电子部件,还包含智能辅助驾驶系统,车载娱乐系统等功能,优化了座舱体验。
自动驾驶域
自动驾驶域主要涉及信号提取,数据的处理和分析等计算。借助摄像头、雷达、GPS等设备完成自动驾驶过程中的决策、控制和感知等环节。具体功能有路标识别、路径规划、障碍物识别等。自动驾驶域的功能提升主要依赖芯片和算法的发展。
三,高级辅助驾驶系统ADAS

ADAS 的主要目的是使交通更安全,提高驾驶员的舒适度。
ADAS由各种ECU单元组成,利用ECU接收传感器的数据,然后再将执行信号发送给执行器。例如,安全气囊ECU接收来自碰撞传感器和座椅传感器的信息。如果发生碰撞,ECU会根据乘客的坐姿决定部署哪些安全气囊,最后让执行器打开对应位置的安全气囊。
ADAS的应用场景:
行人检测/回避
车道偏离警告/纠正
交通标志识别
自动紧急制动
盲点检测
常见的ADAS场景应用程序:
自适应巡航控制:当司机无法一直监控自己的车速和周边其他车辆时,巡航控制系统可以自动加减速,甚至停止车辆,具体操作取决于附近区域的其他对象。
无眩光远光灯和像素灯:使用传感器来适应黑暗和车身周围环境,从而不会干扰迎面而来的交通工具。这种新的前照灯应用程序可以检测其他车辆的灯光并将车辆的灯光重新转向,以防止其他道路使用者暂时失明。
自动泊车:自动泊车借助于安装在车身周边的雷达和环视摄像头,自动识别车位并进行路径规划,使车辆可以自动在停车位泊入和泊出。
自动代客泊车:通过车辆传感器网格、网络通信和云服务来管理停车场中的自动驾驶车辆。让车辆在没有车主驾驶的情况下自主寻找停车位和自动泊车。
自动紧急制动:自动紧急制动使用传感器来检测驾驶员是否正在撞到另一辆车或路上的其他物体。此应用程序可以测量附近交通的距离并提醒驾驶员注意任何危险。一些紧急制动系统可以采取预防性安全措施,例如系紧安全带、降低速度和进行自适应转向以避免碰撞。
侧风稳定:该系统中的传感器可以在驾驶时检测到作用在车辆上的强大压力,并对受侧风干扰影响的车轮进行制动。
驾驶员睡意检测:传感器可以分析驾驶员头部的运动和心率,以确定驾驶员是否困倦。其他系统会发出类似于车道检测警告信号的驾驶员警报。
防抱死制动系统:在应用紧急制动时防止汽车打滑和转弯。

(图源自英伟达)
四,车联网V2X
车联网V2X(Vehicle to Everything)是新一代的通信技术,可以让汽车通过网络连接到一切事物。
V2X的四个场景:
车与车互联:Vehicle to Vehicle (V2V)
V2V可以实现街道上的车辆之间相互通信,发送数据,实现信息和数据共享。还可以分析和预测其他车辆的驾驶行为,提升道路安全。
车与基础设施互联:Vehicle to Infrastructure (V2I)
V2I可以实现车辆与路边基础设施之间的通信,例如交通信号灯、交通摄像头。它可以通过接收交通灯的信号生成预警信息,比如交通拥堵预警。还可以通过无线数据交互让电子收费变得更加快捷。
车与行人互联:Vehicle to People (V2P)
V2P是指车辆中的车载终端单元通过用户设备(如智能手机、可穿戴设备、自行车GPS信号器等)与弱势交通群体(包括行人和骑行者)进行通信。V2P主要应用于交通安全、智能钥匙、位置信息服务、汽车共享等。驾驶员在上车前利用手机和车辆通信可以实现车子的无钥匙进入和远程启动。
车与网络云平台互联:Vehicle to Network/Cloud (V2N/ V2C)
V2N/V2C 让车载设备通过网络与云平台连接, 利用云平台的强大存储能力和计算能力让车辆可以存储和处理获取的数据。V2N/V2C主要应用于车辆导航、车辆远程监控、应急救援、信息娱乐服务等。

(图源:continental-automotive)

(图源:continental-automotive)
五,空中升级技术OTA

FOTA( Firmware over-the-air )固件远程升级,比如重新刷写某ECU模块来修复系统错误、改进系统功能和升级固件版本。
SOTA( Software over-the-air )应用软件远程升级,向连接的设备发送、下载和安装文件。其中包括软件更新、安全补丁和新功能。
OTA技术可以防止车辆召回,降低汽车厂商的运营成本,节省车主的维修时间。
自动驾驶领域中的导航和机器视觉属于很大的方向,开源资料也更好找,篇幅有限,不再赘述。后面开始更新SOA架构与 Adaptive AUTOSAR软件平台相关内容。
参考教程:
《2022智能汽车域控制器产业报告--东北证券》
https://www.synopsys.com/automotive/what-is-adas.html
https://autotechdrive.com/electronic-control-unit/
https://www.tagueri.com/en/the-automotive-spice-simple-guide-to-get-started/