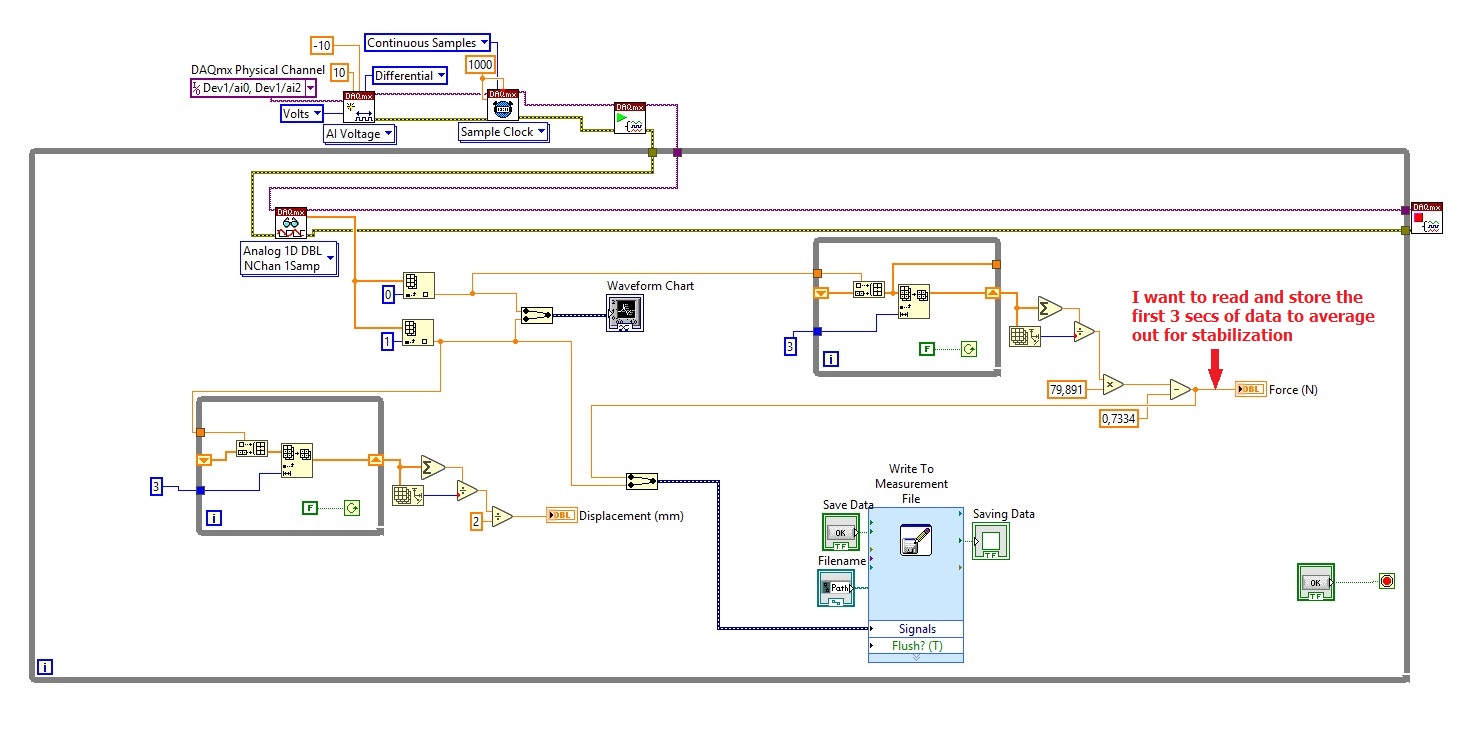
我正在从LabView中的传感器读取动态数据,并试图存储设备第一个位置的初始值,以比较和使用零值。
我尝试创建一个数组并将其存储为case-structure中的一个元素,这个元素是通过布尔按钮激活的,但是由于某些原因,无法使用case结构的输出。我看到人们成功地使用了移位寄存器,但在2017年的LabView中,我似乎只能使用反馈节点。实现这种结构最简单的方法是什么?
预期的结果将是将传感器读取的单个数据点分配给变量。我用的是2017年LabView。
Note:在LabView 2017中,使用移位寄存器的通过右键单击连线似乎不再是的选项了!
更新:下面是程序的片段:

发布于 2019-02-13 16:46:09
在循环结构的隧道上有连线时,可以右击,然后将隧道模式更改为Shift寄存器。所以我不明白你说你只能使用反馈节点是什么意思。

发布于 2019-02-14 00:01:04
这听起来好像你有一个时间循环,在其中你采取你的测量。您可以使用它的循环迭代终端来确定您是在测量初始(还是前十个)度量。然后,您可以将这些值存储在移位寄存器中,以便将来的度量可以使用。你只需要停止更新你的轮班寄存器,一旦你获得了你的初始(或前十)测量。
下面的VI片段展示了实现这一目标的方法。case结构只有另一种不可见的状态,这是默认的情况,在这种情况下,头10个读数数组只是直接连接起来,所以没有变化。
如果没有更多的细节,很难判断这是否能回答你的问题。如果没有,那么我建议张贴您的代码片段,或者至少足够显示它当前的工作方式。

发布于 2019-02-21 21:50:46
您试过使用经过的时间函数吗?通过这种方式,您可以创建一个数组,并获得前x秒的平均值。

或者,您可以使用一个状态机,在其中创建一个单独的“校准”状态,在其中执行此操作。状态机还允许您正确初始化和停止硬件。提高代码的可读性和可伸缩性。
向你问好,桑
https://stackoverflow.com/questions/54675307
复制相似问题