我试图在Sanir的"Verilog“一书中做一个练习:用JK触发器设计一个同步计数器。
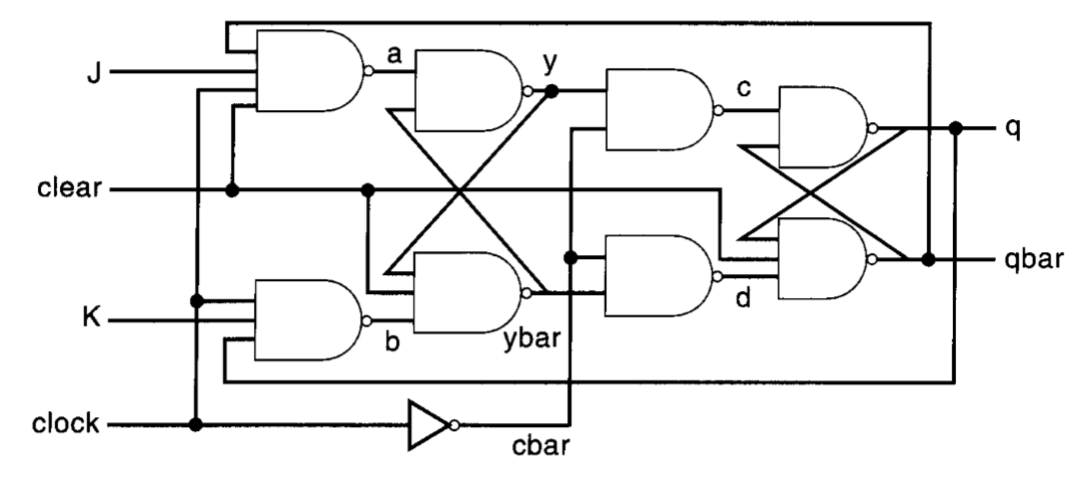
本书提供的JK触发器电路:

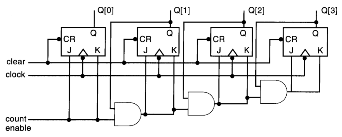
计数器电路:

我认为上面的电路有一个错误:输入到3和门应该分别是Q0,Q1,Q2,从左到右,而不是Q1,Q2,Q3。修改后,我编写了以下代码:
module verilogtest(clk, CS, q, clr);
input clk, CS, clr;
output[3:0] q;
counter count(clk, CS, q, clr);
endmodule
module counter(clk, CS, q, clr);
input clk, CS, clr;
output[3:0] q;
wire t1, t2, t3;
assign #1
t1 = CS & q[0],
t2 = t1 & q[1],
t3 = t2 & q[2];
mJKff ff1(q[0], CS, CS, clk, clr);
mJKff ff2(q[1], t1, t1, clk, clr);
mJKff ff3(q[2], t2, t2, clk, clr);
mJKff ff4(q[3], t3, t3, clk, clr);
endmodule
module mJKff(Q, J, K, clk, clr);
output Q;
input J, K, clk, clr;
wire
a, b, c, d, y, ybar, cbar, qbar;
assign #1
a = ~(qbar & J & clk & clr),
b = ~(clk & K & Q),
y = ~(a & ybar),
ybar = ~(y & clr & b),
c = ~(y & cbar),
d = ~(ybar & cbar),
cbar = ~clk;
assign #1
qbar = ~(Q & clr & d),
Q = ~(c & qbar);
endmodule我成功地使用Quartus II编译,并得到了一系列警告:
警告:时间分析是将一个或多个组合循环作为锁存进行分析。 警告:“保留所有未使用的引脚”设置尚未指定,并将默认为“作为输出驱动地”。 警告:已发现的引脚作为未定义的时钟和/或内存启用 警告:在时钟路径中发现7个节点,这些节点可能充当波纹和/或门控时钟--节点被分析为缓冲区,从而导致时钟倾斜。 警告:电路可能无法工作。检测到2条非操作路径被时钟"clk“锁定,时钟偏差大于数据延迟。有关详细信息,请参阅汇编报告。 警告:电路可能无法工作。检测到1条非操作路径被时钟"CS“锁定,时钟偏差大于数据延迟。有关详细信息,请参阅汇编报告。 警告:电路可能无法工作。检测到1条非操作路径被时钟"clr“锁定,时钟偏差大于数据延迟。有关详细信息,请参阅汇编报告。
我认为最后三个警告是它不能工作的原因。仿真结果:

放大:

Q0的行为与预期相同,但其他的则不然。为什么?
发布于 2018-09-05 19:11:00
您只是在连接计数器模块中的和门时有一个简单的错误:
assign #1
t1 = CS & q[0],
t2 = t1 & q[1],
t3 = t2 & q[2];应该是
assign #1
t1 = CS & q[1],
t2 = t1 & q[2],
t3 = t2 & q[3];Q[0]是唯一正确的输出,因为所有其他FF的JK输入都收到了错误的值。
https://stackoverflow.com/questions/52153227
复制相似问题