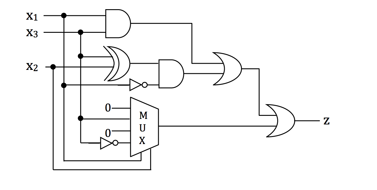
我有个电路:

我需要:
我想接受关于我的尝试的建议(技巧?)/correction,因为我不能百分之百肯定它。
Z输出
好的,我对z的第二个操作数,MUX的输出有一些疑问。因为MUX只是输入和控制线之间的NAND的一个OR (这里是x1/x2),所以我跳过了0,只输出了x3* ~x1x2 (因为它是位置01)和~x3*x1x2。我的逻辑在这里吗?
z=x1x3+(~x1(x3 xor x2)) + (x3~x1x2+x1x2~x3)
Z作为标准SOP
我刚才阐述了z(做xor和乘法):
z= x1x3+[~x1x2~x3+~x1~x2x3+~x1x2x3+x1x2~x3] = x1x2x3 + x1~x2x3 +[~x1x2~x3+~x1~x2x3+~x1x2x3+x1x2~x3]
Z作为最小POS
一旦我有了规范的POS,我刚刚构建了真值表,在2000/001 (~x3~x2~x1 / ~x3~x2x1),我使用了k-映射,得到了最小pos:z=(x3+x2)。
用NANDs表示整件事
我刚从POS表达式开始:
z = x3+x2 = NAND(~x3,~x2) = NAND(NAND(x3,x3),NAND(x2,x2))
发布于 2018-03-25 10:07:27
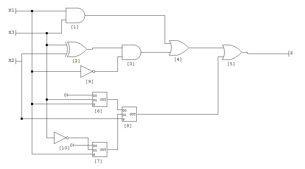
我用Logic Friday 1解决了你的问题

由此产生的方程式:
按栅极图输入:
Z = X1' X3' X2 + X1' X3 X2' + X1 X3' X2 + X1 X3 X2' + X1 X3 X2;最小化:
Z = X3' X2 + X3 X2' + X1 X2;我同意你对复用器的怀疑。根据数据输入(0..3或3..0)和选择输入(0..1或1..0)的编号,得出不同的结果。
为了检查我的结果,我用我的电路图中的信号号写了一个真值表:

这就证实了这五个腹地。
使用卡诺地图:
x2x3
00 01 11 10
+---+---+---+---+
0 | 0 | 1 | 0 | 1 |
x1 +---+---+---+---+
1 | 0 | 1 | 1 | 1 |
+---+---+---+---+这就导致了按金额计算的POS:
(x2+x3) & (x1+!x2+!x3)和产品总数SOP:
x2!x3 + !x2x3 + x1x2SOP可以写成:
NAND(NAND(x2, !x3), NAND(!x2, x3), NAND(x1, x2))https://stackoverflow.com/questions/49469161
复制相似问题