我一直在开发一个电路板与SIM868。根据'SIM868_Series_Hardware_Design_V1.06‘,我实现了“全合一模式”

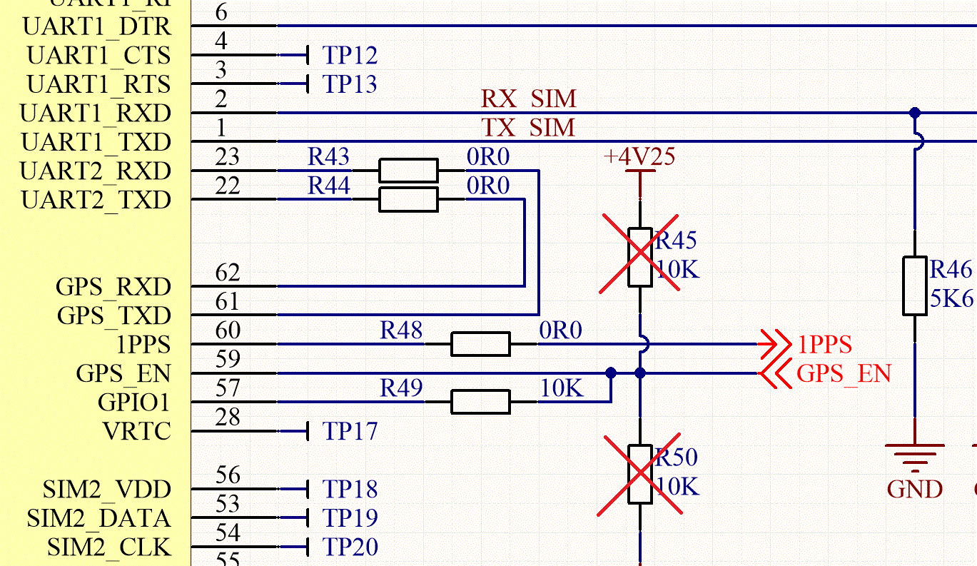
我的原理图如下:

我一直按照“SIM868_GNSS_Application Note_V1.00”文档跟踪全球导航卫星系统序列。
它基本上指示您遵循AT命令。
我遇到的问题是,当我请求GNSS信息时,我得到以下输出
+CGNSINF: 0、。当第一个参数应该是'1‘时,第一个参数(即GNSS运行状态)总是设置为'0’,因为我首先发送了AT+CGNSPWR=1,模块答复正确无误。另外,10k的R49拉起也安装在GNSS_EN和GPIO1之间。
如果我查看GPS_TX引脚61的跟踪,我确实得到NMEA语句和LAT、LON、VEL、UTC等参数。我已经测量了UART2_RXD pin23,它有效地从全球导航卫星系统模块中获取了UART信号。
SIM868的FW版本为1418B02SIM868M32。
你猜它为什么不能请求GNSS信息吗?
谢谢!
发布于 2018-05-28 04:15:33
我有类似的pcb设计。也有导航卫星系统的问题。终于起作用了。在设计中有一个例外。我不使用R49(R101)。GNSS_EN由单片机控制。焊接质量有问题。在解决了这个问题之后--我的输出是+CGNSINF: 1,,,我的输出是+CGNSINF:1,,,我的输出是:1,,,我的输出是+CGNSINF:1,、以及在短时间内有一个修复程序。
https://stackoverflow.com/questions/49099191
复制相似问题