我要用变量m(1,3,5,6,8,13)实现一个8对1的复用器.其职能是:
F(A,B,C,D) = A′B′C′D + A′B′CD + A′BC′D + A′BCD′ + AB′C′D′ + ABC′D我觉得我对多路复用器的工作方式有一个基本的了解,但是我不完全确定如何处理给定的数字。我用ABCD创建了一个真值表,并将其插入函数中。然后我根据输出创建了多路复用器。(我必须是: D',D,D,0,D',0)我唯一没有做的事情,我不知道该怎么做,就是变量。它们与功能和复用器的关系如何?
发布于 2016-03-08 22:55:07
多路复用器作为开关工作。它选择一个可用的输入i,并根据给定的地址位S在输出Z上发送所选输入的值。
例如:
–––––––––––
| MUX | +-------++-----+-----++-----+
| | | index || a_1 | a_0 || f |
D_0 –––| I_0 | |---------------------------|
D_1 –––| I_1 Z |––– f | 0 || 0 | 0 || D_0 |
D_2 –––| I_2 | | 1 || 0 | 1 || D_1 |
D_3 –––| I_3 | | 2 || 1 | 0 || D_2 |
| | | 3 || 1 | 1 || D_3 |
| S | +-------++-----+-----++-----+
–––––––––––
| |
a_1 a_0在示例中定义了输出函数:
f = ¬a_1⋅¬a_0⋅D_0 + ¬a_1⋅a_0⋅D_1 + a_1⋅¬a_0⋅D_2 + a_1⋅a_0⋅D_3在您的情况下,输出由四个变量的给定函数描述,复用器应该是8:1,因此将有三个变量作为地址位(a、b和c)和第四(d)作为分隔的输入信号-函数f(d)的表示输出值的参数。
f(a,b,c,d)=¬a⋅¬b⋅¬c⋅d + ¬a⋅¬b⋅c⋅d + ¬a⋅b⋅¬c⋅d + ¬a⋅b⋅c⋅¬d + a⋅¬b⋅¬c⋅¬d + a⋅b⋅¬c⋅d
index || a | b | c | d || f(a,b,c,d) | f(d)
---------------------------------------------
0 || 0 | 0 | 0 | 0 || 0 | d
1 || 0 | 0 | 0 | 1 || 1 | d
2 || 0 | 0 | 1 | 0 || 0 | d
3 || 0 | 0 | 1 | 1 || 1 | d
---------------------------------------------
4 || 0 | 1 | 0 | 0 || 0 | d
5 || 0 | 1 | 0 | 1 || 1 | d
6 || 0 | 1 | 1 | 0 || 1 | ¬d
7 || 0 | 1 | 1 | 1 || 0 | ¬d
---------------------------------------------
8 || 1 | 0 | 0 | 0 || 1 | ¬d
9 || 1 | 0 | 0 | 1 || 0 | ¬d
10 || 1 | 0 | 1 | 0 || 0 | 0
11 || 1 | 0 | 1 | 1 || 0 | 0
---------------------------------------------
12 || 1 | 1 | 0 | 0 || 0 | d
13 || 1 | 1 | 0 | 1 || 1 | d
14 || 1 | 1 | 1 | 0 || 0 | 0
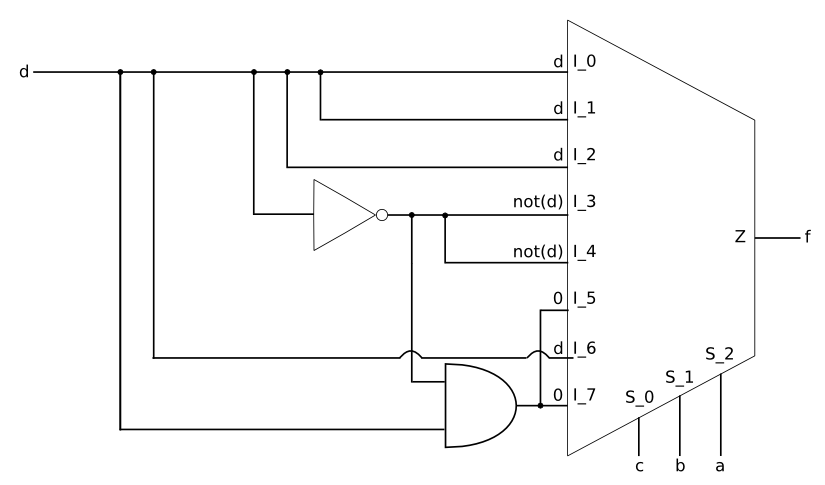
15 || 1 | 1 | 1 | 1 || 0 | 0通过划分输入信号d,使真值表减少到8行。现在,行数与复用器的输入数相匹配。
index || a | b | c || f(d)
-----------------------------
0 || 0 | 0 | 0 || d
1 || 0 | 0 | 1 || d
2 || 0 | 1 | 0 || d
3 || 0 | 1 | 1 || ¬d
-----------------------------
4 || 1 | 0 | 0 || ¬d
5 || 1 | 0 | 1 || 0
6 || 1 | 1 | 0 || d
7 || 1 | 1 | 1 || 0在下面的图片中是多路复用的图形表示。

发布于 2019-06-11 16:53:24
多路复用器(MUX)
MUX是一个数据选择器。

A、B、C、D是源,Q是输出。A b是数据选择器
这是4:1复用器的真值表。
a | b | Q
0 | 0 | A
0 | 1 | B
1 | 0 | C
1 | 1 | D输出Q为
Q = A+B+C+BA= a'b‘B=a’b C=ab‘D= ab
Q = a'b' + a'b + ab' + abhttps://stackoverflow.com/questions/35765285
复制相似问题