我目前正在研究一种控制方法,它与加速度频率的时频分析相结合:粗略地说,只有当加速度的频率含量在接近我想要控制的系统的固有频率的某一带宽内时,控制回路才被激活。
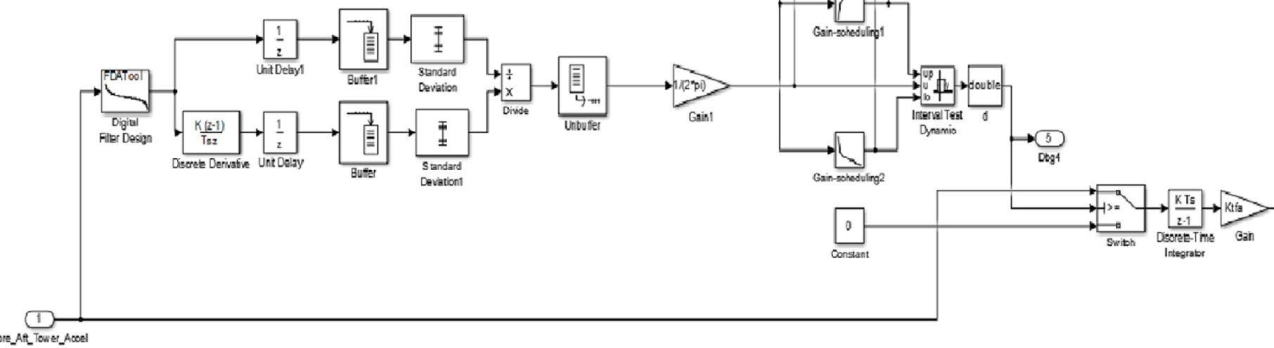
Simulink循环如下图所示:

目前,在检查我实际上在感兴趣的频率间隔内后,信号正在通过一个开关。开关后,加速度通过一定的控制回路调制。问题是,目前,控制回路被激活,而非激活是即时的:因此,如果在t0频率在间隔内,控制回路是活动的;但是,如果在t1,频率超出设计范围,则不应用任何控制。
我现在想做的是:
这样,只有频率内容在间隔内至少停留一段时间(如前面所说,只有频率内容在至少3s的范围内),加速度才会发生控制作用。
期待你的建议。
发布于 2014-07-16 14:47:03
历史学的思想是这样运作的:你定义了两个间隔。其中一个频率范围小,频率范围大。我会试试这个逻辑。

https://stackoverflow.com/questions/24779796
复制相似问题