如何将字符串“master”从主图片发送到从属程序?
我使用的是MicroC RS-485库示例:
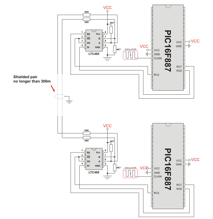
library.htm
我试图把字符串从主程序发送到奴隶:并设置dat7 =“master”;期望dat7在从服务器上使用我的字符串,但是我得到了空值.
链接底部的原始代码。
主控
char dat[10]; // buffer for receving/sending messages
char i,j;
sbit rs485_rxtx_pin at RC2_bit; // set transcieve pin
sbit rs485_rxtx_pin_direction at TRISC2_bit; // set transcieve pin direction
// Interrupt routine
void interrupt() {
RS485Master_Receive(dat);
}
void main(){
long cnt = 0;
ANSEL = 0; // Configure AN pins as digital I/O
ANSELH = 0;
C1ON_bit = 0; // Disable comparators
C2ON_bit = 0;
PORTB = 0;
PORTD = 0;
TRISB = 0;
TRISD = 0;
UART1_Init(9600); // initialize UART1 module
Delay_ms(100);
RS485Master_Init(); // initialize MCU as Master
dat[0] = 0xAA;
dat[1] = 0xF0;
dat[2] = 0x0F;
dat[4] = 0; // ensure that message received flag is 0
dat[5] = 0; // ensure that error flag is 0
dat[6] = 0;
dat[7] = "MY STRING";
RS485Master_Send(dat,1,160);
RCIE_bit = 1; // enable interrupt on UART1 receive
TXIE_bit = 0; // disable interrupt on UART1 transmit
PEIE_bit = 1; // enable peripheral interrupts
GIE_bit = 1; // enable all interrupts
while (1){
// upon completed valid message receiving
// data[4] is set to 255
cnt++;
if (dat[5]) { // if an error detected, signal it
PORTD = 0xAA; // by setting portd to 0xAA
}
if (dat[4]) { // if message received successfully
cnt = 0;
dat[4] = 0; // clear message received flag
j = dat[3];
for (i = 1; i <= dat[3]; i++) { // show data on PORTB
PORTB = dat[i-1];
} // increment received dat[0]
dat[0] = dat[0]+1; // send back to master
Delay_ms(1);
RS485Master_Send(dat,1,160);
}
if (cnt > 100000) {
PORTD ++;
cnt = 0;
RS485Master_Send(dat,1,160);
if (PORTD > 10) // if sending failed 10 times
RS485Master_Send(dat,1,50); // send message on broadcast address
}
}
}奴隶:
char dat[9]; // buffer for receving/sending messages
char i,j;
sbit rs485_rxtx_pin at RC2_bit; // set transcieve pin
sbit rs485_rxtx_pin_direction at TRISC2_bit; // set transcieve pin direction
// Interrupt routine
void interrupt() {
RS485Slave_Receive(dat);
}
void main() {
ANSEL = 0; // Configure AN pins as digital I/O
ANSELH = 0;
C1ON_bit = 0; // Disable comparators
C2ON_bit = 0;
PORTB = 0;
PORTD = 0;
TRISB = 0;
TRISD = 0;
PORTA = 0;
TRISA = 0;
UART1_Init(9600); // initialize UART1 module
Delay_ms(100);
RS485Slave_Init(160); // Intialize MCU as slave, address 160
dat[4] = 0; // ensure that message received flag is 0
dat[5] = 0; // ensure that message received flag is 0
dat[6] = 0; // ensure that error flag is 0
RCIE_bit = 1; // enable interrupt on UART1 receive
TXIE_bit = 0; // disable interrupt on UART1 transmit
PEIE_bit = 1; // enable peripheral interrupts
GIE_bit = 1; // enable all interrupts
while (1) {
if(dat[7]=="MY STRING"){
RCA0_bit = 1;
}
if (dat[5]) { // if an error detected, signal it by
PORTD = 0xAA; // setting portd to 0xAA
dat[5] = 0;
}
if (dat[4]) { // upon completed valid message receive
dat[4] = 0; // data[4] is set to 0xFF
j = dat[3];
for (i = 1; i <= dat[3];i++){
PORTB = dat[i-1];
}
dat[0] = dat[0]+1; // increment received dat[0]
Delay_ms(1);
RS485Slave_Send(dat,1); // and send it back to master
}
}
}

发布于 2014-04-16 15:01:32
char dat[9];定义了一个9字节的数组,所以dat[7] = "MY STRING";只会存储一个截断的地址,而不是实际的字符串。memcpy可用于将字符串从一个缓冲区复制到另一个缓冲区。
请参阅:http://www.cplusplus.com/reference/cstring/memcpy/
dat[7]=="MY STRING"将不像您比较字符串文本"MY STRING"的2字节地址和存储在dat[7]中的单个字节一样工作。如果需要比较字符串之间的差异,strcmp可以工作。
请参阅:http://www.cplusplus.com/reference/cstring/strcmp/
https://stackoverflow.com/questions/23112241
复制相似问题