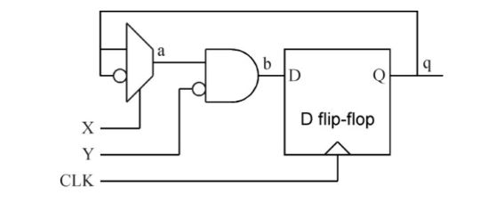
我试图连接一个Verilog结构描述的边缘触发T触发器与同步复位(R)。这是这个元件的电路:

现在假设我已经为这个原理图中的每个块编写了行为描述,下面是我对这个电路的结构描述,通过实例化电路中的每一个块:
module edge_trig_flipflop_structure (
input x,y,clk,
output q,
wire a,b,c,d
);
inv u1(c,q);
mux_2x1 u2 (q,c,x,a);
inv u3(d,y);
and_2_1 u4(b,a,d);
d_flipflop u5(b,clk,q);
endmodule这是这个电路的有效代码吗?换句话说,我真的需要用于逆变器的两条额外的电线,即电线c和d,还是有另一种有效的方法来编写这段代码?
编辑:下面是每个组件的代码,用于了解每个组件声明中端口的顺序。
module mux_2x1 (
input a,
input b,
input sel,
output reg c
);
always @ (*) begin
case ( sel)
1'b0: c=a;
1'b1: c=b;
default : $dispaly ("error");
endcase
end
endmodule
module d_flipflop ( input d,clk , output reg q);
always @ (posedge clk ) begin
q=d;
end
endmodule
module inv(output reg b, input a);
always @ (a) begin
b=~a;
end
endmodule
module and_2_1 ( output reg c,input a,b);
always @(a or b) begin
if (a==1'b1 & b==1'b1)
c= 1'b1;
else
c=1'b0;
end
endmodule发布于 2020-07-06 12:12:26
默认情况下,Verilog不要求您声明所有信号。如果信号出现在端口连接中,它们将隐式为1位wire类型.
但是,正如您所做的那样,使用wire显式声明所有信号是很好的做法。
还可以更改默认行为,并使用此编译器指令要求显式声明信号:
`default_nettype none因为您也关心连接,所以按名称而不是按位置建立连接是一种很好的做法。它更详细,但它将有助于避免简单的连接错误。例如:
inv u1 (.b(c), .a(q));您的模块头上有编译错误。您可能打算用这种方式编写代码:
module edge_trig_flipflop_structure (
input x,y,clk,
output q
);
wire a,b,c,d;https://stackoverflow.com/questions/62755192
复制相似问题