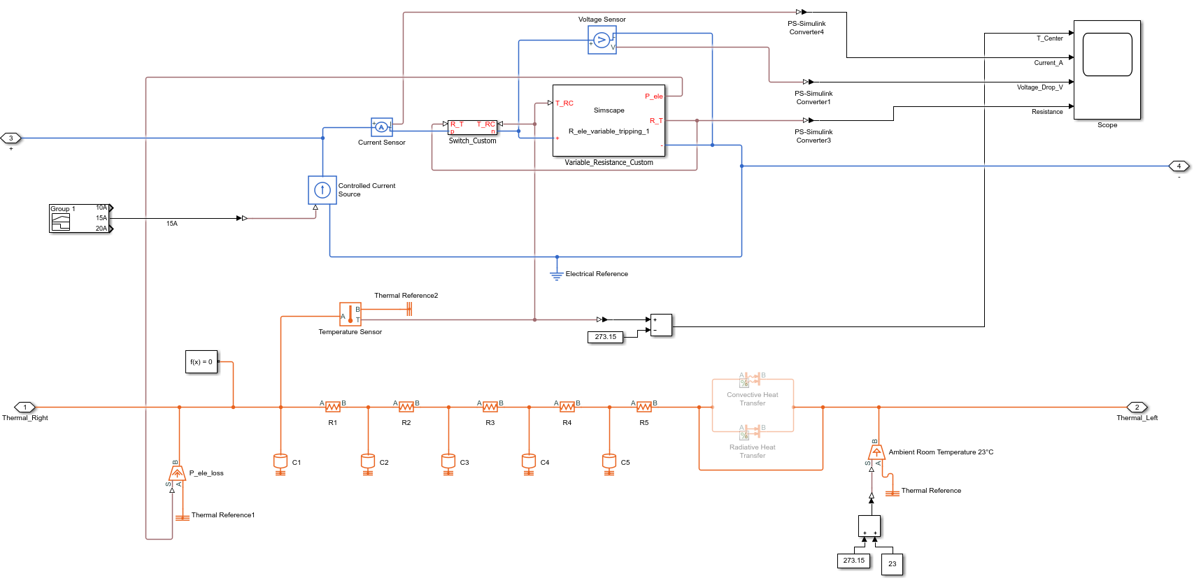
我试图从Simscape的热电等效电路模型中得到10A熔断器的温度-电流曲线。为此,我创建了一个自定义开关和可变电阻。

将热RC Cauer模型分为不同的RC连接单元,并由此计算熔断器的温度。
Variable_Resistance_Custom)模型中的
方程式:
R0*(1+alpha*(T-T0))
.ssc脚本
component R_ele_variable
% Variable Resistor
% Resistor is an electrical component that reduces the electric current.
% The resistor's ability to reduce the current is called resistance.
%
% Resistance: Temperature Coefficient resistance could be expected to
% increase with temperature, since there will be more collisions.
% (R-R0)/R0 = alpha*(T-T0)
inputs
T = { 0.0, 'K' }; % T_RC:left
end
outputs
P_ele = {0, 'W'}; % P_ele:right
R_T = {0, 'Ohm'}; % R_T:right
end
nodes
p = foundation.electrical.electrical; % +:left
n = foundation.electrical.electrical; % -:right
end
parameters
R0 = {7,75e-3,'Ohm'}; % Nominal resistance
T0 = {296.15,'K'}; % Reference temperature
alpha = {3.527e-3,'1/K'}; % Temperature coefficient
end
variables
i = { 0, 'A' }; % Current
end
branches
i : p.i -> n.i;
end
equations
assert(R0>=0)
assert(T0>0)
assert(alpha>=0)
let
% Calculate R, protecting against negative values
Rdem = R0*(1+alpha*(T-T0));
R = if Rdem > 0, Rdem else {0,'Ohm'} end;
in
R*i == p.v-n.v; % Electrical equation
P_ele == R*i*i;
R_T == R;
end
end
end开关的.ssc曲线
component switch_custom_tripping_1
% Switch_custom_tripping_1
% The block represents a switch controlled by an external physical
% signal. If the external physical signal PS is less than the threshold,
% then the switch is closed, otherwise the switch is open.
inputs
T = { 0.0, 'K' }; % T_RC:bottom
R = {0.0, 'Ohm'}; % R_T:top
end
nodes
p = foundation.electrical.electrical; % p:top
n = foundation.electrical.electrical; % n:bottom
end
parameters
T_melting = { 661.15, 'K' }; % Threshold
C_th = { 5035.9938, 'J/K' }; % Thermal Capacitance
R_th = { 215.45, 'K/W' }; % Thermal Resistance
end
variables
i = { 0, 'A' }; % Current
v = { 0, 'V' }; % Voltage
end
branches
i : p.i -> n.i;
end
equations
assert(T>0)
assert(T_melting>0)
assert(R>0)
v == p.v - n.v;
if T < T_melting % Switch is close
v == i*R;
else % Switch is open
T == T_melting*exp(-{1,'s'}/(R_th*C_th));
% R == {Inf, 'Ohm'};
end
end
end在此模型中,给定缺省电流: 15A熔断器熔化温度: 388°C (661.15开尔文)
错误: 1)时间为3.495038669135668的瞬态初始化,求解一致的状态和模式,未能收敛。非线性求解器:线性代数误差。未能使用迭代矩阵进行求解。
在达到融化温度后,如何才能将这个温度调到室温呢?

我应该创建单独的函数来计算减温,还是可以在Variable_Resistor_Custom中包含这个减温方程?
发布于 2021-12-03 19:40:34
我试图通过将保险丝分解成多个组件来理解您尝试了什么,但并没有真正理解它。
除此之外,你还设置了电流,但打开保险丝。当保险丝打开时,这不再是真的了。
高水平,非常简化,指导方针:
你的保险丝有一个热容量right
为了测试这一点,你不能使用电流源,因为你基本上改变了电阻太大了,所以电压会非常高,并且可能会引起数值问题。
我建议有一个控制电压源与一些电流限制电阻器。
控制电压源,你可以控制与PI控制器,优化的室温和可能名义电流的保险丝。
https://stackoverflow.com/questions/68115351
复制相似问题