如何将四个变量的真值表转换成一个4:1的复用器
下面是一个如何将其转换为8:1复用器的示例

发布于 2022-06-12 12:04:12
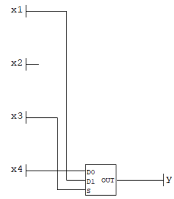
事实上,真值表可以用2-1复用器实现:

真值表所描述的函数的最小化表达式是
Y = X1 X3 + X3' X4用词:
输出Y是X3 true的X1。对于X3 false,Y是X4
输入X3选择要转发到输出Y的X1或X4。
输入X2被忽略(因为不关心)。
您可以使用4-1复用器并将较低的select输入设置为X3,而较高的select输入设置为常数0。
https://stackoverflow.com/questions/72591706
复制相似问题