国密算法(SM系列)是由中国国家密码管理局制定的一系列密码算法标准,旨在保障信息安全,推动密码技术的自主可控。涵盖对称加密、非对称加密、哈希算法及身份认证等领域,广泛应用于金融、政务、通信等关键领域。以下是主要SM算法的分类及简介:
目前我国主要使用公开的SM2、SM3、SM4作为商用密码算法。
其中SM1、SM7算法不公开,调用该算法时,需要通过加密芯片的接口进行调用
SM4算法是用于WAPI的分组密码算法,是2006年我国国家密码管理局公布的国内第一个商用密码算法,原名SMS4,2012年正式成为国家标准(GB/T 32907-2016),2021年成为国际标准(ISO/IEC 18033-3:2021/AMD1:2021)。
SM4算法的设计目标是替代国际通用的AES算法,适用于无线局域网、金融支付、物联网等场景的数据加密。
SM4密码算法的基本运算有模2加和循环移位。 ① 模2加:记为

,为32位逐比特异或运算。 ② 循环移位:

i,把32位字循环左移i位。
S盒是以字节为单位的非线性替换,其密码学作用是混淆,它的输入和输出都是8位的字节。设输入字节为 ,输出字节为, 则S盒的运算可表示为:

S盒的替换规则如下,例如输入为EF,则输出为第E行与第F列交叉处的值84,即 S(EF)=84 。

SM4密码算法的S盒

非线性变换

是以字为单位的非线性替换,它由4个S盒并置构成。设输入为

(4个32位的字),输出为

(4个32位的字),则

(3-1)
线性变换部件L是以字为处理单位的线性变换,其输入输出都是32位的字,它的密码学作用是扩散。 设 L的输入为字B,输出为字C,则

(3-2)
合成变换T由非线性变换

和线性变换L复合而成,数据处理的单位是字。设输入为字 X,则先对 X进行非线性

变换,再进行线性L变换。记为

(3-3)
由于合成变换 是非线性变换 和线性变换 的复合,所以它综合起到混淆和扩散的作用,从而可提高密码的安全性。
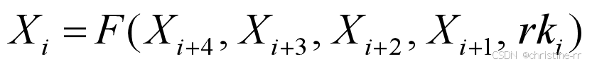
轮函数由上述基本密码部件构成。设轮函数 的输入为4个32位字

共128位,轮密钥为一个32位的字 。输出也是一个32位的字,由下式给出:

根据式(3-3),有

记

,根据式(3-1)和式(3-2),有

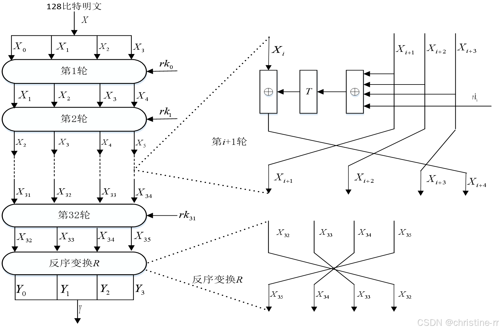
轮函数的结构如图所示

SM4算法的加密算法和轮函数结构图
加密算法采用32轮迭代结构,每轮使用一个轮密钥。 设输入的明文为四个字

(128比特长),输入的轮密钥为

,共32个字。输出的密文为四个字

(128比特长)。加密算法可描述如下:


为了与解密算法需要的顺序一致,同时也与人们的习惯顺序一致,在加密算法之后还需要一个反序处理:

(3-4)
解密算法与加密算法相同,只是轮密钥的使用顺序相反,解密轮密钥是加密轮密钥的逆序。 算法的输入为密文

和轮密钥

,输出为明文

。根据式

。为了便于与加密算法对照,解密算法中仍然用

表示密文。于是可得到如下的解密算法。
解密算法:


与加密算法之后需要一个反序处理同样的道理,在解密算法之后也需要一个反序处理 :

SM4算法加密时输入128位的密钥,采用32轮迭代结构,每一轮使用一个32位的轮密钥,共使用32个轮密钥。使用密钥扩展算法,从加密密钥产生出32个轮密钥。
(1)常数FK 在密钥扩展中使用如下的常数:

(2)固定参数 共使用32个固定参数

,每个

是一个字,其产生规则如下: 设

为

的第

字节

,即

,则

这32个固定参数如下(16进制):

设输入的加密密钥为

,输出轮密钥为

,密钥扩展算法可描述如下,其中

为中间数据:



其中的变换

与加密算法轮函数中的

基本相同,只将其中的线性变化 修改为以下的 :

密钥扩展算法的结构与加密算法的结构类似,也是采用了32轮的迭代处理。
SM4算法的加密过程主要包括以下几个步骤:
SM4算法支持多种工作模式,常见的有: