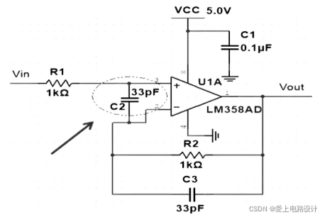
作用:净化运算放大器的供电电源
原理:利用电容对高频信号呈现低阻抗的特性,将电源VCC上的高频干扰信号(如电源纹波、外界电磁干扰耦合的噪声)旁路到地,使运算放大器的供电网络更稳定、干净,避免电源噪声干扰运算放大器的信号放大过程。

作用:抑制瞬间高频干扰对输出的影响
原理:基于电容两端电压不能突变的特性,当同相输入端出现瞬间高频干扰时,导致其电压高于反相输入端。此时,根据运算放大器的同相放大特性,输出端会产生一个与干扰信号同相的放大信号。
然而,由于电容C2 的存在,情况会发生改变。电容两端电压不能瞬间突变,因此当同相输入端电压上升时,电容会将部分电荷转移到反相输入端,使反相输入端电压也随之升高。反相输入端电压的升高,会抵消部分同相输入端干扰信号的影响,从而减小输出端干扰信号的幅度。
由于容值仅 33pF,它主要针对高频瞬间干扰(如电磁脉冲、信号串扰)起作用。

作用:防止运算放大器自激振荡,保证电路高频稳定性。
原理:运算放大器是高增益器件,在高频段易出现相位滞后(信号相位偏移),若相位偏移达到一定程度,可能引发自激振荡(输出无规律波动甚至失真)。C3 与反馈电阻R2 并联,对高频信号提供额外反馈路径,调整电路的相位特性,补偿相位差,从而抑制自激,确保运算放大器在高频场景下稳定工作。

梦虽遥,追则能达;愿虽艰,持则可圆。觉得不错,动动发财的小手点个赞哦!也可以前往公众号获取更多资料,全网同号。
原创声明:本文系作者授权腾讯云开发者社区发表,未经许可,不得转载。
如有侵权,请联系 cloudcommunity@tencent.com 删除。
原创声明:本文系作者授权腾讯云开发者社区发表,未经许可,不得转载。
如有侵权,请联系 cloudcommunity@tencent.com 删除。