
在高速光通信系统中,LVPECL(低压正射极耦合逻辑)、PECL(正射极耦合逻辑)与 LVDS(低压差分信号)是常用的高速接口电平标准。LVPECL/PECL 以高速度、低噪声特性广泛应用于光模块等高速器件,而 LVDS 凭借低功耗、高集成度优势在协议转换 IC 等中端设备中普及。两者的互连设计直接影响信号完整性与系统可靠性,本文从直流耦合、交流耦合两个维度展开技术解析。
直流耦合通过电阻网络实现电平直接转换,无需隔直电容,适用于对延迟敏感的高速场景。设计核心是同时满足阻抗匹配(减少反射)、电平兼容(信号落在接收端有效范围)与功耗平衡(避免过流)。
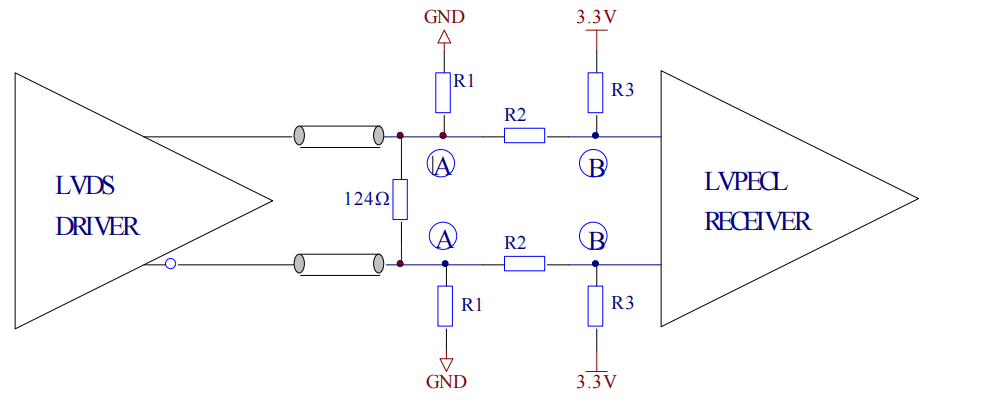
LVPECL 输出为射极跟随器结构,最优负载为 50Ω 且端接至 VCC-2V(3.3V 供电时为 1.3V),可保证最大输出摆幅与线性度;而 LVDS 输入为差分结构,差分阻抗 100Ω(单端 50Ω 至虚拟地),且无直流通路(交流阻抗≠直流阻抗)。因此需设计电阻网络实现两者匹配(如图 1 所示)。

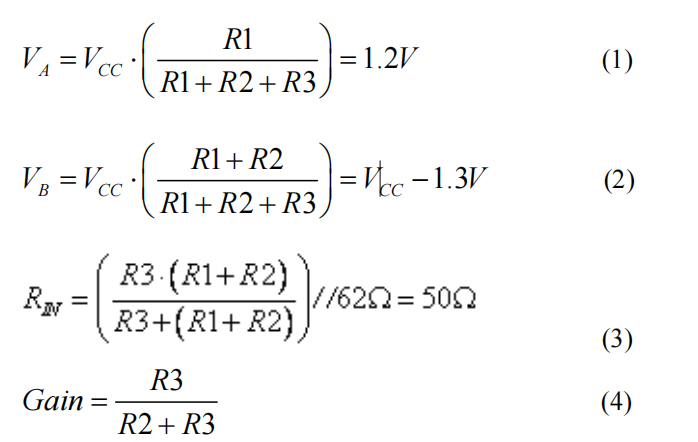
设计方程与参数计算(3.3V 供电时):
需满足 “等效最优负载” 与 “衰减后信号兼容 LVDS 输入”,解得:

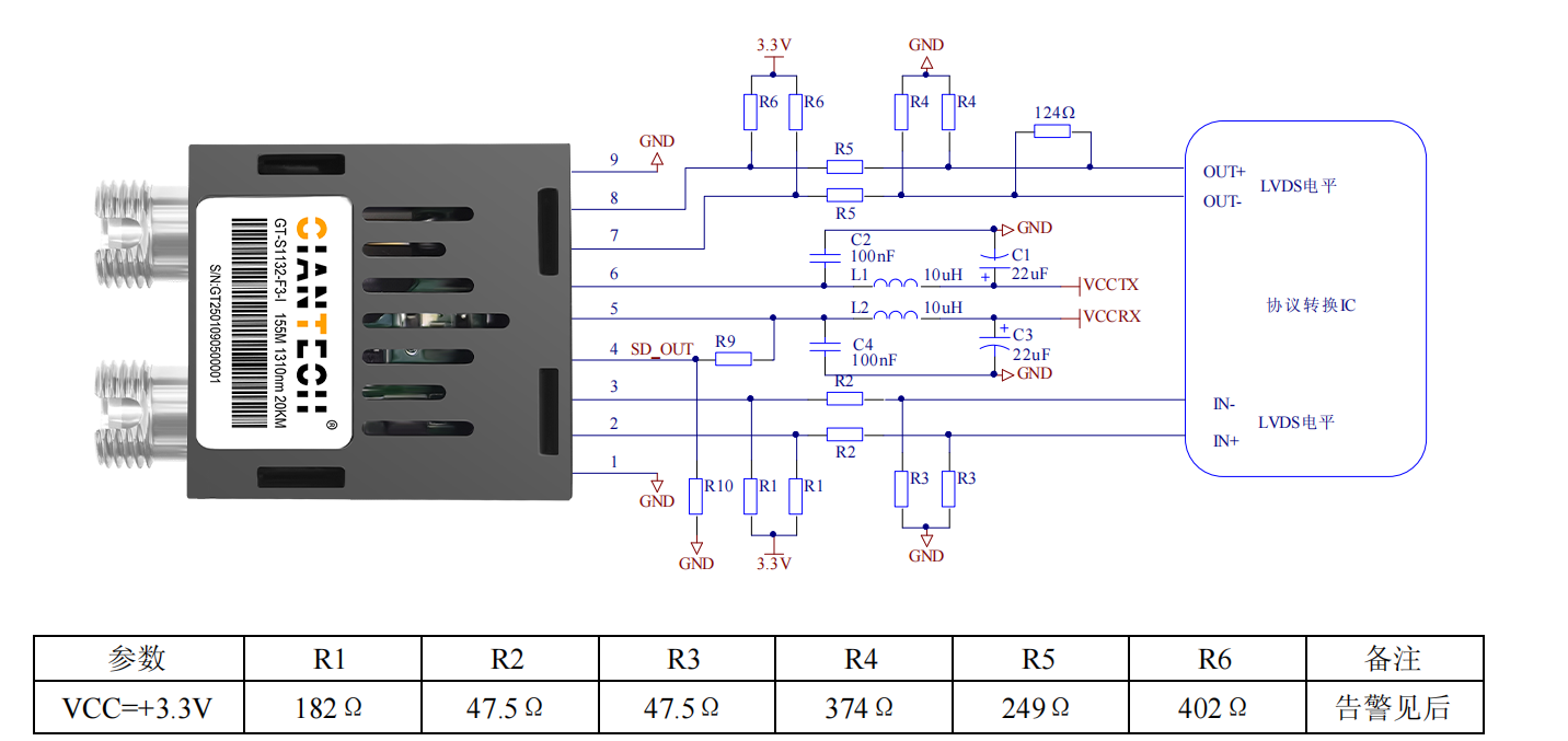
实测验证:
LVDS 输出共模电压约 1.2V(以地为参考),而 LVPECL 输入共模电压需为 VCC-1.3V(3.3V 供电时为 2.0V,以 VCC 为参考),电阻网络需完成电平转换并抑制电源波动影响(如图 2 所示)。

设计要点:

参数计算(3.3V 供电时):
解得 R1=374Ω,R2=249Ω,R3=402Ω,输入阻抗 RIN=49Ω(接近 50Ω),增益 = 0.62。
在光模块(LVPECL 接口)与协议转换 IC(LVDS 接口)的互连中,直流耦合可减少延迟,适用于 10Gbps 以下速率场景。

典型布局需注意:
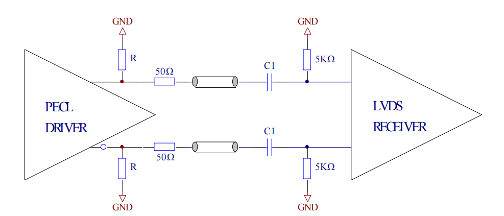
交流耦合通过串联电容隔断直流,适用于共模电压差异大或需隔离电源噪声的场景(如跨板互连)。设计核心是偏置电阻设置(建立直流工作点)与阻抗匹配(避免信号反射)。
需满足:
结构如图 5 所示,设计简化:

PECL 为 5V 供电的射极耦合逻辑(与 3.3V LVPECL 兼容,仅共模电压不同),其与 LVDS 的互连设计类似 LVPECL,但需注意供电电压差异导致的参数调整。
结构如图 6 所示,参数适配 5V 供电:

结构如图 7 所示,分两种接法:

供电电压 | R1=R3(偏置电阻) | R2=R4(偏置电阻) | R5=R6(串联匹配电阻) | 备注 |
|---|---|---|---|---|
+3.3V | 2.7kΩ | 4.7kΩ | 140Ω~200Ω | 接 100Ω 电阻可降功耗 |
+5V | 2.7kΩ | 7.8kΩ | 270Ω~350Ω | - |
表 1:PECL/LVPECL 与 LVDS 交流耦合的匹配电阻参数
如图 8 所示,跨板互连时优先选择交流耦合:


传输线阻抗控制为 100Ω(差分),串联电阻与接收端输入阻抗之和需接近 100Ω,避免反射导致的信号抖动。
实际应用中需结合具体器件手册(如 LVPECL 输出摆幅、LVDS 输入共模范围)调整电阻值,不可直接套用理论参数。
光模块输出端(LVPECL/PECL)需优先保证低噪声,电阻网络应选用高精度(1%)、低温度系数(≤100ppm/℃)的贴片电阻,减少温漂对信号的影响。
光特通信作为专业光模块研发制造商,可根据客户需求提供 LVPECL/LVDS/PECL 互连的定制化方案,从阻抗匹配、信号完整性仿真到量产测试全程保障,支持 OEM/ODM 定制服务。
原创声明:本文系作者授权腾讯云开发者社区发表,未经许可,不得转载。
如有侵权,请联系 cloudcommunity@tencent.com 删除。
原创声明:本文系作者授权腾讯云开发者社区发表,未经许可,不得转载。
如有侵权,请联系 cloudcommunity@tencent.com 删除。