
1. PECL 到PECL 的连接
1.1 直流耦合:50Ω至(VCC-2V)的Thevenin 等效电路
PECL 到 PECL 的连接分直流耦合和交流耦合两种形式,下面介绍:直流耦合情况下 PECL 输出设计成驱动 50Ω负载至(VCC-2V)。由于一般情况下无法向终端网络提供(VCC-2V)电源,经常会用并联电阻,得到一个Thevenin 等效电路。图1 给出了Thevenin 变换,50Ω至(VCC-2V)的终端匹配要求满足:

在3.3V 供电时,电阻按5%的精度选取,R1 为130Ω,R2 为82Ω。而在+5.0V 供电时,R1 为82Ω,R2 为130Ω。图2 给出了+3.3V 和+5.0V 供电时的Thevenin 等效终端网络。


参数 | RI=R3=R5=R7 | R2=R4=R6-R8 | 备注 |
|---|---|---|---|
VCC=+3.3V | 130 Ω | 82 Ω | 告警电平的匹配方式请询问芯片厂家技术支持 |
VCC=+5V | 82 Ω | 130 Ω |
注:PECL 告警接R10=2K,或R9 and R10 按PECL 电平匹配,TTL 电平告警R9=R10=NC。不同种类的模块告警有差别,视具体情况而定!
图2. +3.3V 和+5.0V 供电时光模块与协议转换IC 直流匹配网络
1.2 交流耦合
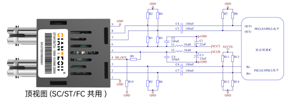
PECL 在交流耦合输出到50Ω的终端负载时,要考虑PECL 的输出端加一直流偏置电阻,如图3 所示。

(b)
图3. PECL 与PECL 之间的交流耦合
R1 和R2 的选择应考虑如下几点:(1) PECL 输入直流偏压应固定在VCC-1.3V;(2)输入阻抗应等于传输线阻抗;(3)低功耗;(4)外围器件少。最常用的就是图3 中的两种。在图3(a)中,R1 和R2 的选择应满足下面方程组:
R2⋅VCCR1+ R2 | =V −1.3V and R1//R2=50Ω解得:CC |
|---|
R1=82Ω,R2=130Ω For =+3.3V Supply
and
R1=68Ω,R2=180Ω For =+5V Supply
图 3(a)的缺陷是:由终端网络引起的功耗较大。如果系统对于功耗要求较高,可以采用图 3(b)所示电路。
这时,我们需要满足:
R2⋅VCCR1+ R2 | =V −1.3V and R1//R2//50Ω=50Ω解得:CC |
|---|
R1=2.7KΩ,R2=4.7KΩ For =+3.3V Supply
and
R1=2.7KΩ,R2=7.8KΩ For =+5V Supply
PECL 的输出共模电压需固定在VCC-1.3V,在选择直流偏置电阻(R1)时仅需该电阻能够提供14mA 到地的通路,这样R1=(VCC-1.3V)/14mA。在+3.3V 供电时,R1=142 ,+5.0V 供电时,R1=270Ω。然而这种方式给出的交流负载阻抗低于50Ω,在实际应用中,+3.3V 供电时,R1 可以从142Ω到200Ω之间选取,+5.0V 供电时,R1 可以从270Ω到350Ω之间选取,原则是让输出波形达到最佳。
可以通过两种方式进一步改善PECL 的终端匹配:
(1)增加一个与耦合电容串联的电阻,使得PECL 驱动器端的等效交流阻抗接近50Ω;
(2)添加一个与R1 串联的电感,使交流阻抗受控于接收器阻抗,与R1 无关。

参数 | Rl=R3 | R2=R4 | R5=R6 | R7=R8 | R11=R13 | R12=R14 | 备注 |
|---|---|---|---|---|---|---|---|
VCC=+3.3V | 82 Ω | 130 Ω | 140Ω~200Ω | 140Ω~200Ω | 82Ω | 130Ω | 图(a)终端网络的功耗较大 |
VCC=+5V | 68 Ω | 180 Ω | 270Ω~350Ω | 270Ω~350Ω | 68Ω | 180Ω |
注意:上表是假设光模块与协议转换IC 供电电压相同,如果协议转换IC 的供电与光模块的供电不同,协议转换IC 部分可根据供电电压按上表中参数匹配。
由终端网络引起的功耗较大

参数 | Rl=R3 | R2=R4 | R5=R6 | R7=R8 | R11=R13 | R12=R14 | 备注 |
|---|---|---|---|---|---|---|---|
VCC=+3.3V | 2.7K Ω | 4.7K Ω | 140Ω~200Ω | 140Ω~200Ω | 2.7KΩ | 4.7KΩ | 图(b)为低功耗电路 |
VCC=+5V | 2.7K Ω | 7.8K Ω | 270Ω~350Ω | 270Ω~350Ω | 2.7KΩ | 7.5KΩ |
注意:上表是假设光模块与协议转换IC 供电电压相同,如果协议转换IC 的供电与光模块的供电不同,协议转换IC 部分可根据供电电压按上表中参数匹配。
(b) 如果系统对于功耗要求较高,可以采用该电路。
图4 +3.3V 和+5.0V 供电时光模块与协议转换IC 交流匹配网络
本文系转载,前往查看
如有侵权,请联系 cloudcommunity@tencent.com 删除。
本文系转载,前往查看
如有侵权,请联系 cloudcommunity@tencent.com 删除。