首页
学习
活动
专区
圈层
工具
发布
社区首页 >专栏 >基于原语的千兆以太网RGMII接口设计

基于原语的千兆以太网RGMII接口设计

作者头像
FPGA技术江湖
发布2025-06-07 18:56:26
发布2025-06-07 18:56:26
1.1K0
举报
文章被收录于专栏:FPGA技术江湖FPGA技术江湖

之前介绍MII接口时,有介绍过RGMII接口的由来,下面在贴一下:

表8‑7MII接口介绍

简述

Pins

速率计算

MII

基本的100Mbps/10Mbps接口

RXD[3:0]、TXD[3:0]TX_ER、TX_ENRX_ER、RX_DVTX_CLK、RX_CLKCRS、COL

Clock=25MHz or 2.5MHz数据位宽4bit(一个时钟周期传输4bit数据)100Mbps=25 MHz *4bit10Mbps=2.5 MHz *4bit

RMII

在MII基础上精简的100Mbps/10Mbps接口;通过提升Clock频率保持与MII一样的速率;

RXD[1:0]、TXD[1:0]TX_ENRX_ERCLK_REFCRS_DV

Clock=50MHz数据位宽2bit(一个时钟周期传输2bit数据)100Mbps=50 MHz *2bit10Mbps是利用10个周期采样一次数据,相当于10Mbps=50MHz/10*2bit

SMII

串行MII100Mbps/10Mbps接口;进一步提升Clock频率保持与MII一样的速率;

RXD[1:0]TXD[1:0]TX_ENRX_ERCLK_REFCRS_DV

Clock=125MHz数据位宽1bit(一个时钟周期传输1bit数据)串行数据帧:一帧10bit(8bitdata+2bit control)计算有效带宽时需要去掉控制位100Mbps=125 MHz *(8bit/10bit)10Mbps是利用10个周期采样一次数据,相当于10Mbps=(125 MHz/10)*(8bit/10bit)

GMII

在MII接口基础上提升了数据位宽和Clock频率成为1000Mbps接口

RXD[7:0]、TXD[7:0]TX_ER、TX_ENRX_ER、RX_DVGTX_CLK、RX_CLKCRS、COL

Clock=125MHz数据位宽8bit(一个时钟周期传输8bit数据)1000Mbps=125 MHz *8bit

RGMII

GMII的简化版本

RXD[3:0]、TXD[3:0]TX_ENRX_DVTX_CLK、RX_CLKCRS、COL

Clock=125MHz数据位宽4bit(一个时钟周期里,上升沿取TX\RX的0-3bit,下降沿取TX\RX的4-7bit,所以实际还是在一个时钟周期里传输8bit数据)1000Mbps=125 MHz *8bit100Mbps=25 MHz *8bit10Mbps=2.5MHz *8bit

SGMII

串行GMII,在此基础上提升了时钟频率达到1000Mbps

RXD[0]、TXD[0]RX_CLK

Clock=125MHz数据位宽1bit(一个时钟周期传输1bit数据)串行数据帧:一帧10bit(8bit data+2bit control)计算有效带宽时需要去掉控制位1000Mbps=125 0MHz *(8bit/10bit)

RGMII是GMII的简化版本,发送端信号:TXD[3:0]、 TX_CLK、TX_EN,接收端信号:RX_DV、RXD[3:0]、RX_CLK,当Clock=125MHz,数据位宽4bit(一个时钟周期里,上升沿取TX\RX的0-3bit,下降沿取TX\RX的4-7bit,所以实际还是在一个时钟周期里传输8bit数据),1000Mbps=125 MHz *8bit、100Mbps=25 MHz *8bit、10Mbps=2.5MHz *8bit。

其实从实现方式看,很容易看出RGMII传输/收取数据的方式和DDR的方式类似,所以下面会针对这方面详细介绍。

8.5.1.1 RGMII信号定义及时序

RGMII 使用 4bit 数据接口采用上下沿 DDR( Double Data Rate)的方式在一个时钟周期之内传输 8bit数据信号,即上升沿发送或接收数据的低 4 位[3:0],下降沿发送或接收数据的高 4 位[7:4]。

发送端:

TXC:发送数据信号和控制信号对应的同步时钟信号( 125M、 25M、 2.5M)

TXD[3:0]:发送数据信号, 4bit 位宽

TX_CTL:发送控制信号

发送端信号时序如下图所示。

图片
图片

图8‑18RGMII发送端信号时序(来源88E1512datasheet,下同)

一般的 PHY 芯片都支持两种 RGMII 发送端口的时序关系。一种称为非延时模式,如下图所示:

图片
图片

图8‑19RGMII发送端非延时模式(来源88E1512datasheet,下同)

图片
图片

即要满足时钟信号 TXC 的边沿对准数据信号 TXD[3:0]和控制信号 TX_CTL 有效窗口中心附近的位置,也就是说 TXC 比其他信号存在 2ns( 90°相位)(2ns来源:当 RGMII 接口工作于 1000M 速率时, TXC 和RXC 时钟信号都为 125MHz,那么单个接口的数据率便等同于 250Mbps,单个信号的有效数据窗最大为 4ns。)左右的延时。

另一种为延时模式,如下图所示。

图片
图片

图8‑20RGMII发送端延时模式(来源88E1512datasheet,下同)

图片
图片

这种时序要求 TXC 的边沿不其发送的数据 TXD 和控制信号 TX_CTL 边沿对齐,所有信号具有相同的相位。

一般来说,大部分 PHY 芯片默认都是采用正常时序模式,可通过 MDIO 接口设置寄存器,或者芯片特殊功能引脚将其配置为延时模式。

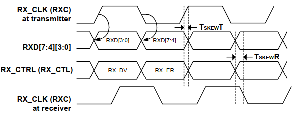
接收端:

RXC:接收数据信号和控制信号对应的同步时钟信号( 125M、 25M、 2.5M)

RXD[3:0]:接收数据信号,4bit 位宽

RX_CTL:接收控制信号

接收端信号的时序如下图所示。

图片
图片

图8‑21RGMII接收端信号时序

同理接收端也有非延时和延时模式,原理同上,时序图如下。

图片
图片

图8‑22RGMII接收端非延时模式(来源88E1512datasheet,下同)

图片
图片
图片
图片

图8‑23RGMII接收端延时模式(来源88E1512datasheet,下同)

图片
图片

8.5.1.2 RGMII时序中的原语使用

在 FPGA 中设计高速源同步接口的重点在于时序控制和时序约束。

在 7 系列 FPGA 中实现 RGMII 接口需要借助 5 种原语,分别是:IDDR、 ODDR、 IDELAYE2、ODELAYE2(A7 中没有)、 IDELAYCTRL。

其中, IDDR 和 ODDR 分别是输入和输出的双边沿寄存器,位于 IOB 中。IDELAYE2 和ODELAYE2,分别用于控制 IO 口输入和输出延时。同时, IDELAYE2 和 ODELAYE2 的延时值需要使用原语 IDELAYCTRL 来进行校准。另外,需要注意的是,在 7 系列器件的 HR Bank 中没有ODELAYE2,只有在 HP BANK 中才有 ODELAYE2。

上述几个原语在Xilinx中属于I/O计算组件,其他常见的原语如下:

表8‑8I/O端口组件

图片
图片

下面针对即将使用的几个原语进行介绍(摘选自米联客教程,在此谢过):

( 1) IDDR

IDDR 将输入的双边沿 DDR 信号,在输出端恢复为两个并行单边沿 SDR 信号。IDDR 的原语如下。详细参数可参考 UG471。

代码8‑1IDDR 的原语

代码语言:txt
复制
.//      IDDR     : In order to incorporate this function into the design,  

2.//     Verilog   : the following instance declaration needs to be placed  

3.//    instance   : in the body of the design code.  The instance name  

4.//   declaration : (IDDR_inst) and/or the port declarations within the  

5.//      code     : parenthesis may be changed to properly reference and  

6.//               : connect this function to the design.  Delete or comment  

7.//               : out inputs/outs that are not necessary.  

8.  

9.//  <-----cut code="" below="" this="" line----="">  

10.  

11.   // IDDR: Input Double Data Rate Input Register with Set, Reset  

12.   //       and Clock Enable.  

13.   //       Artix-7  

14.   // Xilinx HDL Language Template, version 2018.3  

15.  

16.   IDDR #(  

17.      .DDR_CLK_EDGE("OPPOSITE_EDGE"), // "OPPOSITE_EDGE", "SAME_EDGE"   

18.                                      //    or "SAME_EDGE_PIPELINED"   

19.      .INIT_Q1(1'b0), // Initial value of Q1: 1'b0 or 1'b1  

20.      .INIT_Q2(1'b0), // Initial value of Q2: 1'b0 or 1'b1  

21.      .SRTYPE("SYNC") // Set/Reset type: "SYNC" or "ASYNC"   

22.   ) IDDR_inst (  

23.      .Q1(Q1), // 1-bit output for positive edge of clock  

24.      .Q2(Q2), // 1-bit output for negative edge of clock  

25.      .C(C),   // 1-bit clock input  

26.      .CE(CE), // 1-bit clock enable input  

27.      .D(D),   // 1-bit DDR data input  

28.      .R(R),   // 1-bit reset  

29.      .S(S)    // 1-bit set  

30.   );  

31.  

32.   // End of IDDR_inst instantiation 

C 为同步时钟, Q1 和 Q2 则是分别与 C 上升沿和下降沿同步的输出的 SDR 数据, D 为 DDR 输入。参数 DDR_CLK_EDGE 用来决定了 C、 Q1、 Q2 和 D 之间的时序关系。DDR_CLK_EDGE 有 3 种模式:OPPOSITE_EDGE、 SAME_EDGE 以及 SAME_EDGE_PIPELINED,3 种时序关系如下图所示。

图片
图片
图片
图片
图片
图片

图8‑24DDR_CLK_EDGE 3 种模式(来源UG741)

(2) ODDR

使用 ODDR 将 TXC 同一个时钟周期内的两个 SDR 信号分别通过上升沿和下降沿输出为 DDR 信号。ODDR 的原语如下,详细参数可参考 UG471。

代码8‑2ODDR原语

代码语言:txt
复制

1.//      ODDR     : In order to incorporate this function into the design,  

2.//     Verilog   : the following instance declaration needs to be placed  

3.//    instance   : in the body of the design code.  The instance name  

4.//   declaration : (ODDR_inst) and/or the port declarations within the  

5.//      code     : parenthesis may be changed to properly reference and  

6.//               : connect this function to the design.  Delete or comment  

7.//               : out inputs/outs that are not necessary.  

8.  

9.//  <-----cut code="" below="" this="" line----="">  

10.  

11.   // ODDR: Output Double Data Rate Output Register with Set, Reset  

12.   //       and Clock Enable.  

13.   //       Artix-7  

14.   // Xilinx HDL Language Template, version 2018.3  

15.  

16.   ODDR #(  

17.      .DDR_CLK_EDGE("OPPOSITE_EDGE"), // "OPPOSITE_EDGE" or "SAME_EDGE"   

18.      .INIT(1'b0),    // Initial value of Q: 1'b0 or 1'b1  

19.      .SRTYPE("SYNC") // Set/Reset type: "SYNC" or "ASYNC"   

20.   ) ODDR_inst (  

21.      .Q(Q),   // 1-bit DDR output  

22.      .C(C),   // 1-bit clock input  

23.      .CE(CE), // 1-bit clock enable input  

24.      .D1(D1), // 1-bit data input (positive edge)  

25.      .D2(D2), // 1-bit data input (negative edge)  

26.      .R(R),   // 1-bit reset  

27.      .S(S)    // 1-bit set  

28.   );  

29.  

30.   // End of ODDR_inst instantiation  

DDR_CLK_EDGE 有两种模式: OPPOSITE_EDGE 和 SAME_EDGE,两种时序关系如下图所示。

图片
图片
图片
图片

图8‑25DDR_CLK_EDGE两种模式

对于 OPPOSITE_EDGE 模式,在 FPGA 内部也同样需要两个反相时钟来同步 D1 和 D2,较少使用。在设计 RGMII 接口时使用了 SAME_EDGE 模式。

(3) IDELAYE2

IDELAYE2 用于在信号通过引脚进入芯片内部之前,进行延时调节。这里给出本方案中的用法,原语描述如下。详细参数可参考 UG471。

代码8‑3IDELAYE2 原语

代码语言:txt
复制
1.//  IDELAYE2   : In order to incorporate this function into the design,  

2.//   Verilog   : the following instance declaration needs to be placed  

3.//  instance   : in the body of the design code.  The instance name  

4.// declaration : (IDELAYE2_inst) and/or the port declarations within the  

5.//    code     : parenthesis may be changed to properly reference and  

6.//             : connect this function to the design.  All inputs  

7.//             : and outputs must be connected.  

8.  

9.//  <-----cut code="" below="" this="" line----="">  

10.  

11.   // IDELAYE2: Input Fixed or Variable Delay Element  

12.   //           Artix-7  

13.   // Xilinx HDL Language Template, version 2018.3  

14.  

15.   (* IODELAY_GROUP =  *) // Specifies group name for associated IDELAYs/ODELAYs and IDELAYCTRL  

16.  

17.   IDELAYE2 #(  

18.      .CINVCTRL_SEL("FALSE"),          // Enable dynamic clock inversion (FALSE, TRUE)  

19.      .DELAY_SRC("IDATAIN"),           // Delay input (IDATAIN, DATAIN)  

20.      .HIGH_PERFORMANCE_MODE("FALSE"), // Reduced jitter ("TRUE"), Reduced power ("FALSE")  

21.      .IDELAY_TYPE("FIXED"),           // FIXED, VARIABLE, VAR_LOAD, VAR_LOAD_PIPE  

22.      .IDELAY_VALUE(0),                // Input delay tap setting (0-31)  

23.      .PIPE_SEL("FALSE"),              // Select pipelined mode, FALSE, TRUE  

24.      .REFCLK_FREQUENCY(200.0),        // IDELAYCTRL clock input frequency in MHz (190.0-210.0, 290.0-310.0).  

25.      .SIGNAL_PATTERN("DATA")          // DATA, CLOCK input signal  

26.   )  

27.   IDELAYE2_inst (  

28.      .CNTVALUEOUT(CNTVALUEOUT), // 5-bit output: Counter value output  

29.      .DATAOUT(DATAOUT),         // 1-bit output: Delayed data output  

30.      .C(C),                     // 1-bit input: Clock input  

31.      .CE(CE),                   // 1-bit input: Active high enable increment/decrement input  

32.      .CINVCTRL(CINVCTRL),       // 1-bit input: Dynamic clock inversion input  

33.      .CNTVALUEIN(CNTVALUEIN),   // 5-bit input: Counter value input  

34.      .DATAIN(DATAIN),           // 1-bit input: Internal delay data input  

35.      .IDATAIN(IDATAIN),         // 1-bit input: Data input from the I/O  

36.      .INC(INC),                 // 1-bit input: Increment / Decrement tap delay input  

37.      .LD(LD),                   // 1-bit input: Load IDELAY_VALUE input  

38.      .LDPIPEEN(LDPIPEEN),       // 1-bit input: Enable PIPELINE register to load data input  

39.      .REGRST(REGRST)            // 1-bit input: Active-high reset tap-delay input  

40.   );  

41.  

42.   // End of IDELAYE2_inst instantiation  

(4) ODELAYE2

ODELAYE2原语如下,更多详细信息可参考 UG471。

代码8‑4ODELAYE2原语

代码语言:txt
复制
1.//  ODELAYE2   : In order to incorporate this function into the design,  

2.//   Verilog   : the following instance declaration needs to be placed  

3.//  instance   : in the body of the design code.  The instance name  

4.// declaration : (ODELAYE2_inst) and/or the port declarations within the  

5.//    code     : parenthesis may be changed to properly reference and  

6.//             : connect this function to the design.  All inputs  

7.//             : and outputs must be connected.  

8.  

9.//  <-----cut code="" below="" this="" line----="">  

10.  

11.   // ODELAYE2: Output Fixed or Variable Delay Element  

12.   //           Kintex-7  

13.   // Xilinx HDL Language Template, version 2018.3  

14.  

15.   (* IODELAY_GROUP =  *) // Specifies group name for associated IDELAYs/ODELAYs and IDELAYCTRL  

16.  

17.   ODELAYE2 #(  

18.      .CINVCTRL_SEL("FALSE"),          // Enable dynamic clock inversion (FALSE, TRUE)  

19.      .DELAY_SRC("ODATAIN"),           // Delay input (ODATAIN, CLKIN)  

20.      .HIGH_PERFORMANCE_MODE("FALSE"), // Reduced jitter ("TRUE"), Reduced power ("FALSE")  

21.      .ODELAY_TYPE("FIXED"),           // FIXED, VARIABLE, VAR_LOAD, VAR_LOAD_PIPE  

22.      .ODELAY_VALUE(0),                // Output delay tap setting (0-31)  

23.      .PIPE_SEL("FALSE"),              // Select pipelined mode, FALSE, TRUE  

24.      .REFCLK_FREQUENCY(200.0),        // IDELAYCTRL clock input frequency in MHz (190.0-210.0, 290.0-310.0).  

25.      .SIGNAL_PATTERN("DATA")          // DATA, CLOCK input signal  

26.   )  

27.   ODELAYE2_inst (  

28.      .CNTVALUEOUT(CNTVALUEOUT), // 5-bit output: Counter value output  

29.      .DATAOUT(DATAOUT),         // 1-bit output: Delayed data/clock output  

30.      .C(C),                     // 1-bit input: Clock input  

31.      .CE(CE),                   // 1-bit input: Active high enable increment/decrement input  

32.      .CINVCTRL(CINVCTRL),       // 1-bit input: Dynamic clock inversion input  

33.      .CLKIN(CLKIN),             // 1-bit input: Clock delay input  

34.      .CNTVALUEIN(CNTVALUEIN),   // 5-bit input: Counter value input  

35.      .INC(INC),                 // 1-bit input: Increment / Decrement tap delay input  

36.      .LD(LD),                   // 1-bit input: Loads ODELAY_VALUE tap delay in VARIABLE mode, in VAR_LOAD or  

37.                                 // VAR_LOAD_PIPE mode, loads the value of CNTVALUEIN  

38.  

39.      .LDPIPEEN(LDPIPEEN),       // 1-bit input: Enables the pipeline register to load data  

40.      .ODATAIN(ODATAIN),         // 1-bit input: Output delay data input  

41.      .REGRST(REGRST)            // 1-bit input: Active-high reset tap-delay input  

42.   );  

43.  

44.   // End of ODELAYE2_inst instantiation  

(5) IDELAYCTRL

IDELAY2 和 ODELAY2 都需要 IDELAYCTRL 来进行校准。IDELAYCTRL 原语如下。更多详细信息可参考 UG471。

代码8‑5IDELAYCTRL 原语

代码语言:txt
复制

1.//  IDELAYE2   : In order to incorporate this function into the design,  

2.//   Verilog   : the following instance declaration needs to be placed  

3.//  instance   : in the body of the design code.  The instance name  

4.// declaration : (IDELAYE2_inst) and/or the port declarations within the  

5.//    code     : parenthesis may be changed to properly reference and  

6.//             : connect this function to the design.  All inputs  

7.//             : and outputs must be connected.  

8.  

9.//  <-----cut code="" below="" this="" line----="">  

10.  

11.   // IDELAYE2: Input Fixed or Variable Delay Element  

12.   //           Artix-7  

13.   // Xilinx HDL Language Template, version 2018.3  

14.  

15.   (* IODELAY_GROUP =  *) // Specifies group name for associated IDELAYs/ODELAYs and IDELAYCTRL  

16.  

17.   IDELAYE2 #(  

18.      .CINVCTRL_SEL("FALSE"),          // Enable dynamic clock inversion (FALSE, TRUE)  

19.      .DELAY_SRC("IDATAIN"),           // Delay input (IDATAIN, DATAIN)  

20.      .HIGH_PERFORMANCE_MODE("FALSE"), // Reduced jitter ("TRUE"), Reduced power ("FALSE")  

21.      .IDELAY_TYPE("FIXED"),           // FIXED, VARIABLE, VAR_LOAD, VAR_LOAD_PIPE  

22.      .IDELAY_VALUE(0),                // Input delay tap setting (0-31)  

23.      .PIPE_SEL("FALSE"),              // Select pipelined mode, FALSE, TRUE  

24.      .REFCLK_FREQUENCY(200.0),        // IDELAYCTRL clock input frequency in MHz (190.0-210.0, 290.0-310.0).  

25.      .SIGNAL_PATTERN("DATA")          // DATA, CLOCK input signal  

26.   )  

27.   IDELAYE2_inst (  

28.      .CNTVALUEOUT(CNTVALUEOUT), // 5-bit output: Counter value output  

29.      .DATAOUT(DATAOUT),         // 1-bit output: Delayed data output  

30.      .C(C),                     // 1-bit input: Clock input  

31.      .CE(CE),                   // 1-bit input: Active high enable increment/decrement input  

32.      .CINVCTRL(CINVCTRL),       // 1-bit input: Dynamic clock inversion input  

33.      .CNTVALUEIN(CNTVALUEIN),   // 5-bit input: Counter value input  

34.      .DATAIN(DATAIN),           // 1-bit input: Internal delay data input  

35.      .IDATAIN(IDATAIN),         // 1-bit input: Data input from the I/O  

36.      .INC(INC),                 // 1-bit input: Increment / Decrement tap delay input  

37.      .LD(LD),                   // 1-bit input: Load IDELAY_VALUE input  

38.      .LDPIPEEN(LDPIPEEN),       // 1-bit input: Enable PIPELINE register to load data input  

39.      .REGRST(REGRST)            // 1-bit input: Active-high reset tap-delay input  

40.   );  

41.  

42.   // End of IDELAYE2_inst instantiation  

IDELAYCTRL 需要一个参考时钟信号 REFCLK 来校准 IDELAY2 和 ODELAY2 每个 tap 的延时值,可用的 REFCLK 频率为 200M、 300M、 400M。时钟越高对应的 tap 延时平均值越小,也就是说延时调节精度越高。DS182 中对此有如下描述。

图片
图片

图8‑26DS182 中描述

大部分情冴下使用 200M 的参考时钟就可以满足实际需求。

8.5.1.3 RGMII发送接口设计

(1) PHY RGMII 发送接口时序

相关的时序在上面已经介绍,主要关注tsetup、thold默认模式具体如下:

图片
图片

(2)设计方案

针对上述时序关系, RGMII 发送接口的设计方案如下图所示。

图片
图片

图8‑27RGMII 发送接口的设计方案

(3)时序约束

针对 RGMII 发送接口需要进行 output delay 约束,如下所示。使用 MMCM 输出的时钟 phy_tx_clk 作为所有 ODDR 的输入时钟。这里以1 个 RGMII 接口为例。

代码8‑6时序约束

代码语言:txt
复制
1.settx_clk [get_clocks -include_generated_clocks -of [get_pins clk_wiz_0/inst/mmcm_adv_inst/CLKOUT1]]  

2.create_generated_clock -name phy_tx_clk -source [get_pins clk_wiz_0/inst/mmcm_adv_inst/CLKOUT1] -multiply_by1 [get_ports phy1_rgmii_tx_clk]  

3.set_output_delay -clock [get_clocksphy_tx_clk] -max -0.900 [get_ports {phy1_rgmii_tx_ctl phy1_rgmii_tx_data[*]}}]  

4.set_output_delay -clock [get_clocksphy_tx_clk] -min -2.900 [get_ports {phy1_rgmii_tx_ctl {phy1_rgmii_tx_data[*]}}]  

5.set_output_delay -clock [get_clocksphy_tx_clk] -max -0.900 [get_ports {phy1_rgmii_tx_ctl {phy1_rgmii_tx_data[*]}}] -clock_fall -  

6.add_delay  

7.set_output_delay -clock [get_clocksphy_tx_clk] -min -2.900 [get_ports {phy1_rgmii_tx_ctl {phy1_rgmii_tx_data[*]}}] -clock_fall -add_delay  

由于时序分析中存在 2 个时钟 phy_tx_clk 和 tx_clk,这两个时钟在物理上实际是同 1 个时钟,都是由MMCM 同 1 个引脚输出的。但是时序分析工具会把它们当做 2 个不同的时钟而进行跨时钟域分析。因此,需要剔除这 2 个时钟之间的一些虚假路径,避免时序报错。

针对本文档的设计方法,RGMII 发送接口 DDR 的 setup time 分析是从 rise 到 rise,或者 fall 到 fall。因此需要剔除 rise 到 fall 和 fall 到 rise 的 setup time 伪路径。同理, hold time 分析是从 rise 到 fall 或fall 到 rise,因此需要剔除 rise 到 rise 和 fall 到 fall 的 hold time 伪路径。如下所示:

代码语言:txt
复制
1.set_false_path -fall_from $tx_clk -rise_to [get_clocksphy_tx_clk] -setup  

2.set_false_path -rise_from $tx_clk -fall_to [get_clocksphy_tx_clk] -setup  

3.set_false_path -fall_from $tx_clk -fall_to [get_clocksphy_tx_clk] -hold  

4.set_false_path -rise_from $tx_clk -rise_to [get_clocksphy_tx_clk] -hold  

除此之外,由于 setup time 分析是从 rise 到 rise 或fall 到 fall 的。为了避免时序分析工具对 2 个时钟phy_tx_clk 和 tx_clk 之间 setup time 进行错误的多周期分析,需要进行如下约束。

代码语言:txt
复制
1.set_multicycle_path 0 -setup -end -rise_from $tx_clk -rise_to [get_clocksphy_tx_clk]  

2.set_multicycle_path 0 -setup -end -fall_from $tx_clk -fall_to [get_clocksphy_tx_clk]  

8.5.1.4 RGMII接收接口设计

(1) PHY RGMII 接收接口时序

相关的时序在上面已经介绍,主要关注tsetup、thold默认模式具体如下:

图片
图片

(2)设计方案

针对上述时序关系, RGMII 接收接口的设计方案如下图所示。通过 FPGA 引脚输入的时钟 RXC 经过BUFIO 可以通过最短的延时接入 IDDR 中。另外,输入时钟经过 BUFG 或者 BUFR 进入 FPGA 内部时钟网络供内部逻辑所使用。BUFR 仅局限于单个 clock region 内部的逻辑资源,如果逻辑规模较大,建议使用 BUFG。

图片
图片

图8‑30RGMII 接收接口的设计方案

(3)时序约束

针对 RGMII 接收接口需要进行 intput delay 约束,如下所示。使用 PHY 芯片输入时钟作为所有 IDDR的输入时钟。这里以 1 个 RGMII 接口为例。

代码语言:txt
复制
1.create_clock -period 6.000 -name phy1_rx_clk [get_ports phy1_rgmii_rx_clk]  

2.set_input_delay -clock [get_clocks phy1_rx_clk] -max 2.800 [get_ports {{phy1_rgmii_rx_data[*]} phy1_rgmii_rx_ctl}]  

3.set_input_delay -clock [get_clocks phy1_rx_clk] -min 1.200 [get_ports {{phy1_rgmii_rx_data[*]} phy1_rgmii_rx_ctl}]  

4.set_input_delay -clock [get_clocks phy1_rx_clk] -clock_fall -max -add_delay 2.800 [get_ports {{phy1_rgmii_rx_data[*]} phy1_rgmii_rx_ctl}]  

5.set_input_delay -clock [get_clocks phy1_rx_clk] -clock_fall -min -add_delay 1.200 [get_ports {{phy1_rgmii_rx_data[*]} phy1_rgmii_rx_ctl}]  

除此之外,还需要将所有 IDELAYE2 和 IDELAYCTRL 约束到一个 group 中。在 7 系列器件中, 1 个BANK 对应一个 clock region,每个 clock region 对应 1 个 IDELAYCTRL。FPGA中有 4 组 RGMII 接收接口,分布在 BANK13 和 BANK14 中。因此,需要分 2 个 group 进行约束,约束如下。

代码语言:txt
复制
1.set_property IODELAY_GROUP iodelay_grp_bank13 [get_cells {idelayctrl_inst1 rgmii_receive_module1/delay_rgmii_rx_ctl  

2.{rgmii_receive_module1/RGMII_RX_DATA_BUS[*].delay_rgmii_rxd}}]  

3.set_property IODELAY_GROUP iodelay_grp_bank13 [get_cells {rgmii_receive_module2/delay_rgmii_rx_ctl  

4.{rgmii_receive_module2/RGMII_RX_DATA_BUS[*].delay_rgmii_rxd}}]  

5.set_property IODELAY_GROUP iodelay_grp_bank14 [get_cells {idelayctrl_inst2 rgmii_receive_module3/delay_rgmii_rx_ctl  

6.{rgmii_receive_module3/RGMII_RX_DATA_BUS[*].delay_rgmii_rxd}}]  

7.set_property IODELAY_GROUP iodelay_grp_bank14 [get_cells {rgmii_receive_module4/delay_rgmii_rx_ctl  

8.{rgmii_receive_module4/RGMII_RX_DATA_BUS[*].delay_rgmii_rxd}}]  

另外,约束每组 RGMII 接收接口的 IDELAYE2 的延时 tap 数,经尝试最佳 tap 为 14。如下所示。

代码语言:txt
复制
1.set_property IDELAY_VALUE 14 [get_cells rgmii_receive_module1/delay_rgmii_rx_ctl]  
2.set_property IDELAY_VALUE 14 [get_cells {rgmii_receive_module1/RGMII_RX_DATA_BUS[*].delay_rgmii_rxd}] 

END

本文参与 腾讯云自媒体同步曝光计划,分享自微信公众号。
原始发表:2025-06-04,如有侵权请联系 cloudcommunity@tencent.com 删除

本文分享自 FPGA技术江湖 微信公众号,前往查看

如有侵权,请联系 cloudcommunity@tencent.com 删除。

本文参与 腾讯云自媒体同步曝光计划  ,欢迎热爱写作的你一起参与!

评论
登录后参与评论
0 条评论
热度
最新
推荐阅读
领券
问题归档专栏文章快讯文章归档关键词归档开发者手册归档开发者手册 Section 归档