
先看一下具体的演示效果,再大致介绍一下这个具体的原理:前往粉色小破站几进行效果的查看
单周期MIPS CPU电路设计运行结果哔哩哔哩bilibili
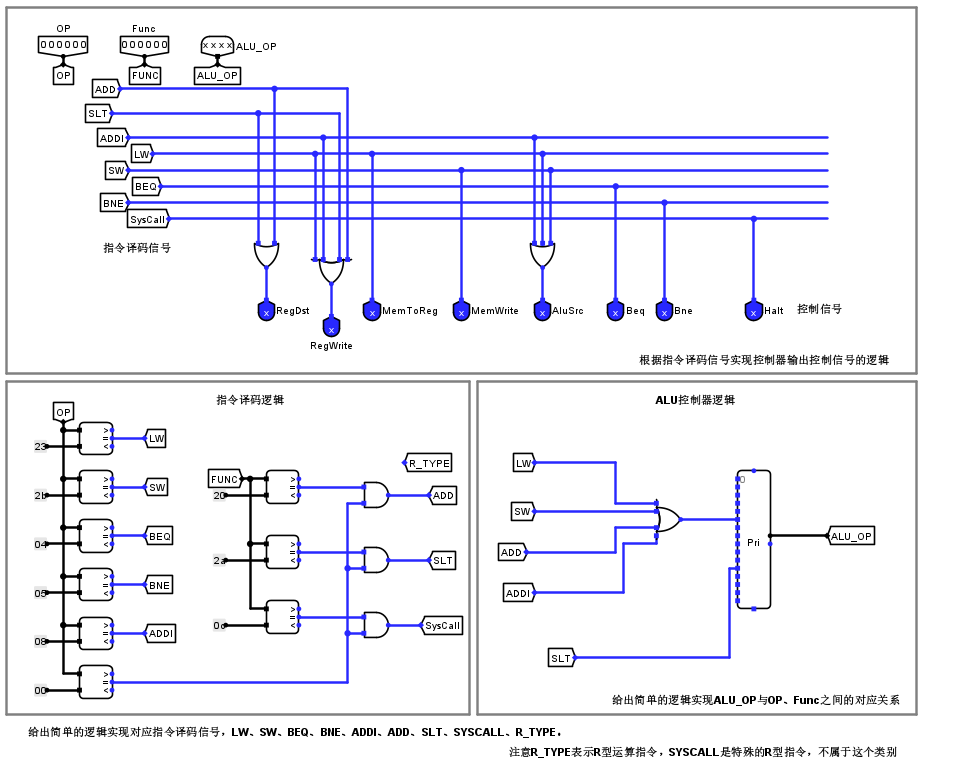
参考的就是谭志虎老师的那个动手设计CPU的实验:首先我们需要去设计一下对应的指令译码的逻辑和ALU运算器对应的逻辑,这个可以参考对应的仓库的表格里面提供的内容(谭志虎老师在Gitee仓库里面的那个资料啥的);

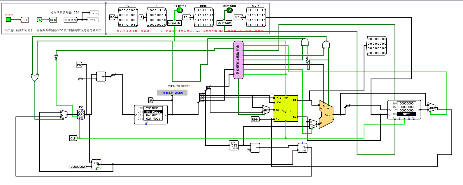
然后就是使用上面的这个硬布线控制器去设计我们的这个整体的数据通路,如下所示:

在这个数据通路里面,主要是下面的几个组成的部分:
原创声明:本文系作者授权腾讯云开发者社区发表,未经许可,不得转载。
如有侵权,请联系 cloudcommunity@tencent.com 删除。
原创声明:本文系作者授权腾讯云开发者社区发表,未经许可,不得转载。
如有侵权,请联系 cloudcommunity@tencent.com 删除。